LEMON Manuals: Even more car manuals for everyone: 1960-2025
Home >> Kia >> 2022 >> Carnival EX >> Repair and Diagnosis >> Engine Performance >> System >> Engine Control System Diagnosis (5 Of 8) >> DTC P064E-00: Internal Control Module O2 Sensor Processor Performance Bank 2 >> Wiring Inspection >> Circuit Inspection
April 5, 2026: LEMON Manuals is launched! Read the announcement.

Circuit Inspection

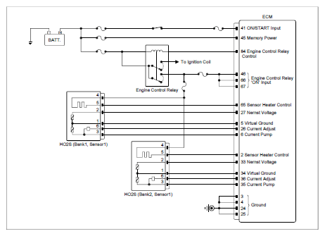
G14817348Courtesy of KIA MOTORS AMERICA, INC.
Inspection Condition (+) Probe (-) Probe Specification
Connector Terminal Connector Terminal
  1. Ignition "OFF".
  2. Disconnect the electrical connector(s) from the concerned component.
  3. Ignition "ON".
HO2S (Bank 1, Sensor 1) connector 1 (virtual ground) Chassis ground - Approx. 0V
HO2S (Bank 1, Sensor 1) connector 2 (nernst voltage) Chassis ground - Approx. 0V
HO2S (Bank 1, Sensor 1) connector 3 (current pump) Chassis ground - Approx. 0V
HO2S (Bank 1, Sensor 1) connector 6 (current adjust) Chassis ground - Approx. 0V
HO2S (Bank 2, Sensor 1) connector 1 (virtual ground) Chassis ground - Approx. 0V
HO2S (Bank 2, Sensor 1) connector 2 (nernst voltage) Chassis ground - Approx. 0V
HO2S (Bank 2, Sensor 1) connector 3 (current pump) Chassis ground - Approx. 0V
HO2S (Bank 2, Sensor 1) connector 6 (current adjust) Chassis ground - Approx. 0V
  1. Ignition "OFF".
  2. Disconnect the electrical connector(s) from the concerned component.
HO2S (Bank 1, Sensor 1) connector 1 (virtual ground) Chassis ground - ∞ (infinity)Ω
HO2S (Bank 1, Sensor 1) connector 2 (nernst voltage) Chassis ground - ∞ (infinity)Ω
HO2S (Bank 1, Sensor 1) connector 3 (current pump) Chassis ground - ∞ (infinity)Ω
HO2S (Bank 1, Sensor 1) connector 6 (current adjust) Chassis ground - ∞ (infinity)Ω
HO2S (Bank 1, Sensor 1) connector 1 (virtual ground) ECM connector 5 (virtual ground) Approx. below 1Ω
HO2S (Bank 1, Sensor 1) connector 2 (nernst voltage) ECM connector 27 (nernst voltage) Approx. below 1Ω
HO2S (Bank 1, Sensor 1) connector 3 (current pump) ECM connector 6 (current pump) Approx. below 1Ω
HO2S (Bank 1, Sensor 1) connector 6 (current adjust) ECM connector 26 (current adjust) Approx. below 1Ω
HO2S (Bank 2, Sensor 1) connector 1 (virtual ground) Chassis ground - ∞ (infinity)Ω
HO2S (Bank 2, Sensor 1) connector 2 (nernst voltage) Chassis ground - ∞ (infinity)Ω
HO2S (Bank 2, Sensor 1) connector 3 (current pump) Chassis ground - ∞ (infinity)Ω
HO2S (Bank 2, Sensor 1) connector 6 (current adjust) Chassis ground - ∞ (infinity)Ω
HO2S (Bank 2, Sensor 1) connector 1 (virtual ground) ECM connector 34 (virtual ground) Approx. below 1Ω
HO2S (Bank 2, Sensor 1) connector 2 (nernst voltage) ECM connector 33 (nernst voltage) Approx. below 1Ω
HO2S (Bank 2, Sensor 1) connector 3 (current pump) ECM connector 35 (current pump) Approx. below 1Ω
HO2S (Bank 2, Sensor 1) connector 6 (current adjust) ECM connector 36 (current adjust) Approx. below 1Ω

Good 

No Good