LEMON Manuals: Even more car manuals for everyone: 1960-2025
Home >> Kia >> 2023 >> Soul EX >> Repair and Diagnosis >> Engine Performance >> System >> Engine Control System Diagnosis (2 Of 6) >> DTC P0140-00: O2 Sensor Circuit No Activity Detected (Bank 1/Sensor 2) >> Wiring Inspection >> Circuit Inspection
April 5, 2026: LEMON Manuals is launched! Read the announcement.

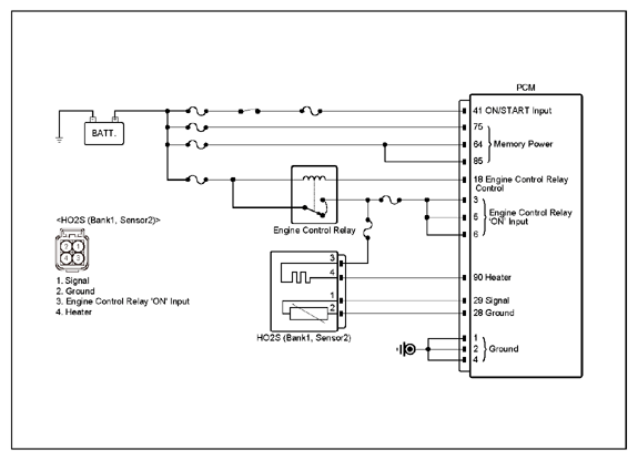
Circuit Inspection

G15728883Courtesy of KIA MOTORS AMERICA, INC.
G15728884Courtesy of KIA MOTORS AMERICA, INC.
Inspection Condition (+) Probe (-) Probe Specification
Connector Terminal Connector Terminal
  1. Ignition "OFF".
  2. Disconnect HO2S (Bank1, Sensor 2 connector.
  3. Ignition "ON".
HO2S (Bank1, Sensor 2 connector 1 (signal) Chassis ground - 0V
  1. Ignition "OFF".
  2. Disconnect HO2S (Bank1, Sensor 2 connector.
HO2S (Bank1, Sensor 2 connector 2 (ground) Chassis ground - Approx. below 1Ω
  1. Ignition "OFF".
  2. Disconnect HO2S (Bank1, Sensor 2 connector and PCM connector.
HO2S (Bank1, Sensor 2 connector 1 (signal) PCM connector 29 (signal) Approx. below 1Ω
HO2S (Bank1, Sensor 2 connector 2 (ground) PCM connector 28 (ground) Approx. below 1Ω

Good 

No Good