LEMON Manuals: Even more car manuals for everyone: 1960-2025
Home >> Kia >> 2023 >> Soul GT Line >> Repair and Diagnosis >> Engine Performance >> System >> Engine Control System Diagnosis (2 Of 6) >> DTC P0141-00: O2 Sensor Heater Circuit (Bank 1/Sensor 2) >> Wiring Inspection >> Circuit Inspection
April 5, 2026: LEMON Manuals is launched! Read the announcement.

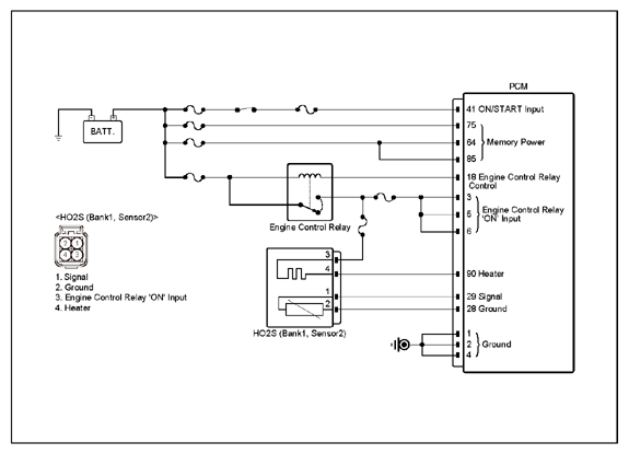
Circuit Inspection

G15728889Courtesy of KIA MOTORS AMERICA, INC.
G15728890Courtesy of KIA MOTORS AMERICA, INC.
Inspection Condition (+) Probe (-) Probe Specification
Connector Terminal Connector Terminal
  1. Ignition "OFF".
  2. Disconnect HO2S (Bank1, Sensor 2 connector.
  3. Ignition "ON".
HO2S (Bank1, Sensor 2 connector 3 (power) Chassis ground - Approx. 12V
HO2S (Bank1, Sensor 2 connector 4 (heater) Chassis ground - Approx. 2.5V

Good 

No Good