LEMON Manuals: Even more car manuals for everyone: 1960-2025
Home >> Kia >> 2023 >> Soul GT Line >> Repair and Diagnosis >> Engine Performance >> System >> Engine Control System Diagnosis (6 Of 6) >> DTC P2251-00: O2 Sensor Reference Ground Circuit/Open (Bank 1 Sensor 1) >> Wiring Inspection >> Circuit Inspection
April 5, 2026: LEMON Manuals is launched! Read the announcement.

Circuit Inspection

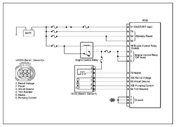
G15730884Courtesy of KIA MOTORS AMERICA, INC.
G15730885Courtesy of KIA MOTORS AMERICA, INC.
Inspection Condition (+) Probe (-) Probe Specification
Connector Terminal Connector Terminal
  1. Disconnect HO2S (Bank1, Sensor1) connector.
  2. Ignition "ON".
HO2S (Bank1, Sensor1) connector 1 (nernst voltage) Chassis ground - 0V
HO2S (Bank1, Sensor1) connector 3 (virtual ground) Chassis ground - 0V
HO2S (Bank1, Sensor1) connector 6 (pumping current) Chassis ground - 0V
HO2S (Bank1, Sensor1) connector 4 (trim resistor) Chassis ground - 0V
  1. Ignition "OFF".
  2. Disconnect HO2S (Bank1, Sensor1) and PCM connector.
HO2S (Bank1, Sensor1) connector 1 (nernst voltage) PCM connector 104 (nernst voltage) Approx. below 1Ω
HO2S (Bank1, Sensor1) connector 3 (virtual ground) PCM connector 83 (virtual ground) Approx. below 1Ω
HO2S (Bank1, Sensor1) connector 6 (pumping current) PCM connector 105 (pumping current) Approx. below 1Ω
HO2S (Bank1, Sensor1) connector 4 (trim resistor) PCM connector 84 (trim resistor) Approx. below 1Ω

Good 

No Good