LEMON Manuals: Even more car manuals for everyone: 1960-2025
Home >> Kia >> 2024 >> Telluride EX X-Line >> Repair and Diagnosis >> Engine Performance >> System >> Engine Control System Diagnosis (13 Of 13) >> DTC P2251-00: O2 Sensor Reference Ground Circuit/Open (Bank 1 Sensor 1) >> Wiring Inspection >> Circuit Inspection
April 5, 2026: LEMON Manuals is launched! Read the announcement.

Circuit Inspection

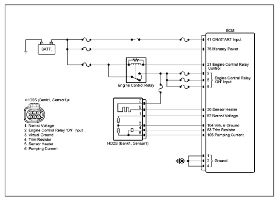
G15726873Courtesy of KIA MOTORS AMERICA, INC.
G15726874Courtesy of KIA MOTORS AMERICA, INC.
Inspection Condition (+) Probe (-) Probe Specification
Connector Terminal Connector Terminal
  1. Disconnect the electrical connector(s) from the concerned component.
  2. Ignition "ON".
HO2S (Bank1, Sensor1) connector 1 (nernst voltage) Chassis ground - Approx. 0V
HO2S (Bank1, Sensor1) connector 3 (virtual ground) Chassis ground - Approx. 0V
HO2S (Bank1, Sensor1) connector 4 (trim resister) Chassis ground - Approx. 0V
HO2S (Bank1, Sensor1) connector 6 (pumping current) Chassis ground - Approx. 0V
  1. Ignition "OFF".
  2. Disconnect battery (-) cable.
  3. Disconnect the electrical connector(s) from the concerned component and ECM.
HO2S (Bank1, Sensor1) connector 1 (nernst voltage) Chassis ground - ∞ (infinity)Ω
HO2S (Bank1, Sensor1) connector 3 (virtual ground) Chassis ground - ∞ (infinity)Ω
HO2S (Bank1, Sensor1) connector 4 (trim resister) Chassis ground - ∞ (infinity)Ω
HO2S (Bank1, Sensor1) connector 6 (pumping current) Chassis ground - ∞ (infinity)Ω
HO2S (Bank1, Sensor1) connector 1 (nernst voltage) ECM connector 82 (nernst voltage) Approx. below 1Ω
HO2S (Bank1, Sensor1) connector 3 (virtual ground) ECM connector 104 (virtual ground) Approx. below 1Ω
HO2S (Bank1, Sensor1) connector 4 (trim resister) ECM connector 83 (trim resister) Approx. below 1Ω
HO2S (Bank1, Sensor1) connector 6 (pumping current) ECM connector 105 (pumping current) Approx. below 1Ω

Good 

No Good