LEMON Manuals: Even more car manuals for everyone: 1960-2025
Home >> Kia >> 2024 >> Telluride EX X-Line >> Repair and Diagnosis >> Engine Performance >> System >> Engine Control System Diagnosis (13 Of 13) >> DTC U012D-00: Lost Communication With Generator Control Module >> Wiring Inspection >> Circuit Inspection
April 5, 2026: LEMON Manuals is launched! Read the announcement.

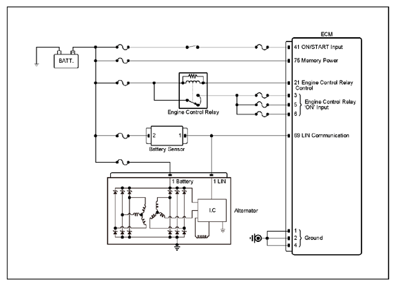
Circuit Inspection

G15727027Courtesy of KIA MOTORS AMERICA, INC.
G15727028Courtesy of KIA MOTORS AMERICA, INC.
Inspection Condition (+) Probe (-) Probe Specification
Connector Terminal Connector Terminal
  1. Ignition "OFF".
  2. Disconnect battery (-) cable.
  3. Disconnect the electrical connector(s) from the concerned component and ECM.
Alternator connector 1 (LIN COM) ECM connector 69 (LIN COM) Approx. below 1Ω
Alternator connector 1 (LIN COM) Chassis ground - ∞ (infinity)Ω

Good 

No Good