LEMON Manuals: Even more car manuals for everyone: 1960-2025
Home >> Land Rover >> 1990 >> Range Rover Base >> Repair and Diagnosis >> Brakes >> Traction Control >> Anti-Lock >> Self-Diagnostic System >> Diagnostic Trouble Code Definitions
April 5, 2026: LEMON Manuals is launched! Read the announcement.

Diagnostic Trouble Code Definitions

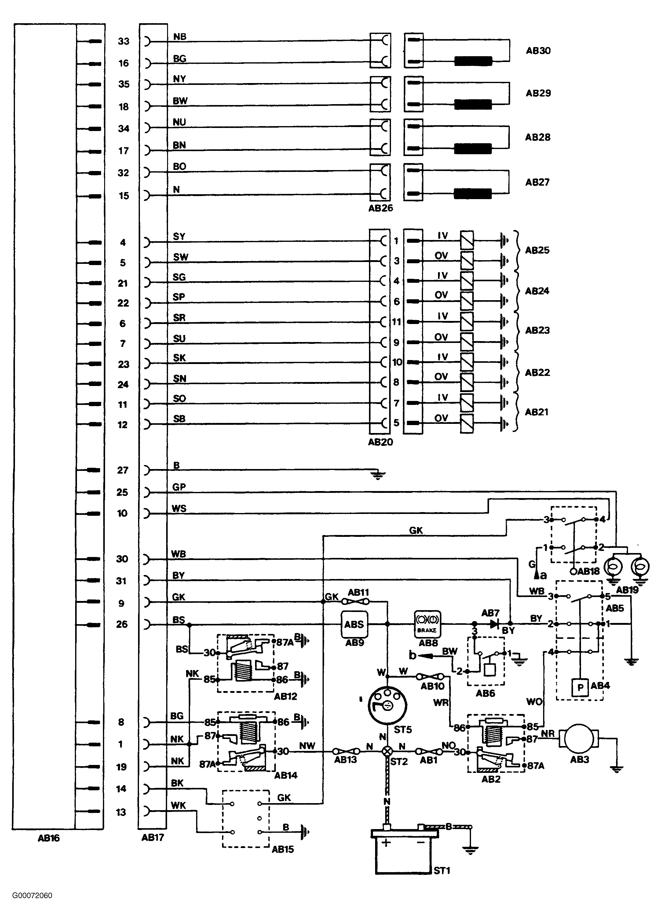
NOTE: For circuit diagram item number identification, see Figure and Figure under WIRING DIAGRAMS.
Fig 1: ABS Fault Code (1 Of 2)
G00067009Courtesy of LAND ROVER NORTH AMERICA, INC.
Fig 2: ABS Fault Code (2 Of 2)
G00067010Courtesy of LAND ROVER NORTH AMERICA, INC.