LEMON Manuals: Even more car manuals for everyone: 1960-2025
Home >> Land Rover >> 2014 >> LR4 Base, AWD >> Repair and Diagnosis >> Brakes >> Traction Control >> Anti-Lock Control - Traction Control -- LR4/L319 >> Anti-Lock Control - Traction Control >> Anti-Lock Brake System Module >> Removal And Installation >> Removal
April 5, 2026: LEMON Manuals is launched! Read the announcement.

Removal And Installation: Removal

CAUTION: Make sure the ignition switch is in position 0.
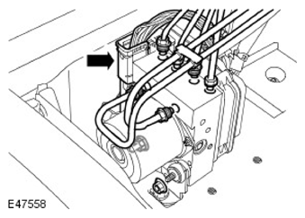
  1. G11597363

    Remove the cover.

  2. Disconnect the electrical connector.
  3. CAUTION:
    • Brake fluid will damage paint finished surfaces. If spilled, immediately remove the fluid and clean the area with water.
    • Before the disconnection or removal of any components, ensure the area around joint faces and connections are clean. Plug any open connections to prevent contamination.

    Disconnect the 6 brake tubes.

    • Position an absorbent cloth to collect fluid spillage.
  4. G11597364

    Remove the ABS module from the mounting bracket.

    • Loosen, but do not remove, the 2 nuts securing the ABS module to the bracket.