LEMON Manuals: Even more car manuals for everyone: 1960-2025
Home >> Lexus >> 1998 >> GS 400 >> Repair and Diagnosis >> Body & Frame >> Power Windows >> Component Testing >> Power Main Relay Test
April 5, 2026: LEMON Manuals is launched! Read the announcement.

Power Main Relay Test

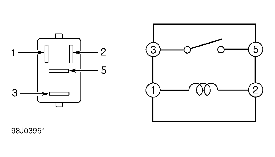
Remove relay. See ELECTRICAL COMPONENT LOCATIONS  table under DESCRIPTION & OPERATION. See Fig 1. Replace relay if it does not operate as follows:

Fig 1: Identifying Power Main Relay Terminals
G98J03951Courtesy of © TOYOTA, LICENSE AGREEMENT TMS1002