Inspection Procedure
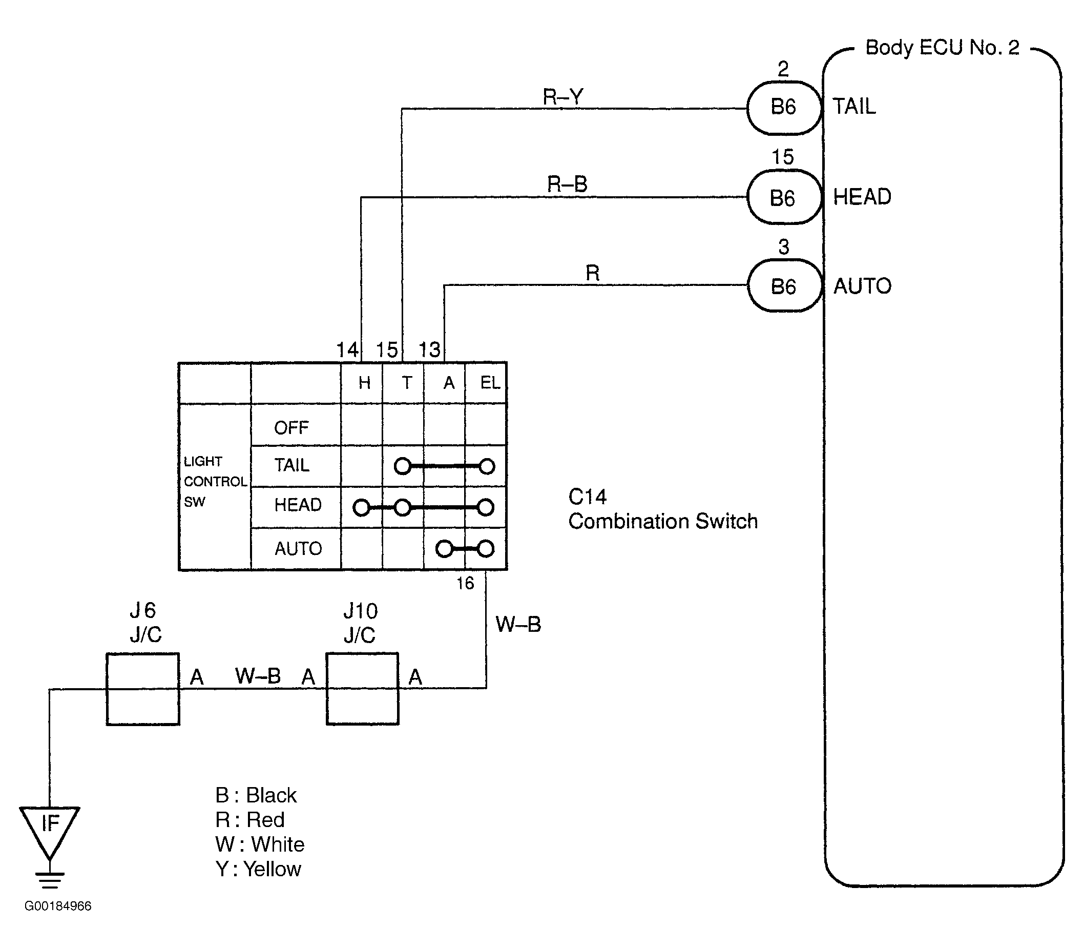
For circuit wiring diagram, see Fig 1.
NOTE:
If using the hand-held tester, start the inspection from step 1 and if not using the hand-held tester, start from step 2.
- Check the headlight control switch using the hand-held tester. Connect the hand-held tester to DLC3. See Figure. Check the headlight control switch using DATA LIST. See Fig 2. If the results are not OK, perform the next test procedure of the problem symptom. See BODY ECU NO. 2 PROBLEM SYMPTOM INDEX table. If the results are not OK, go to the next step.
- Check the headlight control switch. See LIGHT CONTROL SWITCH article under COMPONENT TESTS in STEERING COLUMN SWITCHES. If the results are OK, go to the next step. If the results are not OK, replace the headlight control switch.
- Check for short to power, short to ground and continuity in the wiring harness and connector between the headlight control switch and body ECU No. 2. If the results are OK, perform the next test procedure of the problem symptom. See BODY ECU NO. 2 PROBLEM SYMPTOM INDEX table. If the results are not OK, repair or replace the wiring harness or connector.