LEMON Manuals: Even more car manuals for everyone: 1960-2025
Home >> Lexus >> 2002 >> SC 430 >> Repair and Diagnosis >> External Pages >> Different car >> Section 84 (Anti-Lock/Vehicle Skid Control) >> System Testing >> Test D: Abs Warning Light Circuit >> Testing Procedure
April 5, 2026: LEMON Manuals is launched! Read the announcement.

Testing Procedure

WARNING: This page is about a different car, the 2002 Lexus LX 470 and 2001 Lexus LX 470. However, it is still accessible from the selected car via links, so may be relevant.

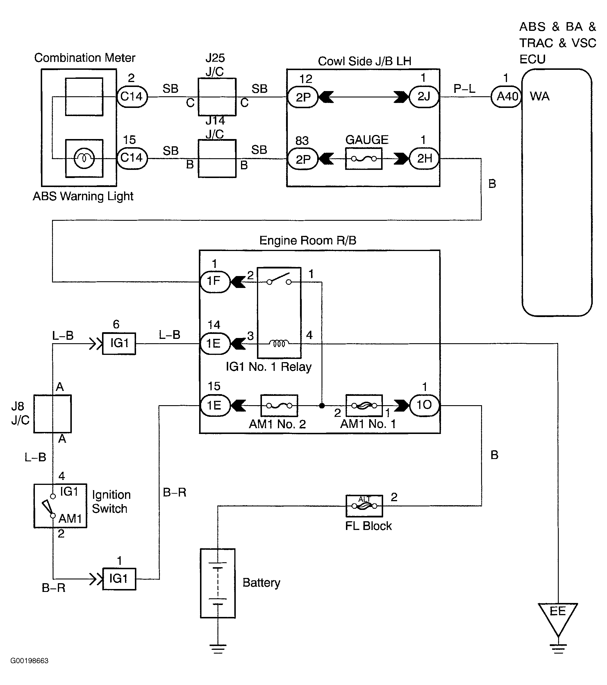
For wiring diagram, see Fig 1. For testing procedure, see Fig 2 - Fig 4 .

Fig 1: Wiring Diagram ABS Warning Light Circuit
G00198663Courtesy of © TOYOTA, LICENSE AGREEMENT TMS1002
Fig 2: Testing Procedure ABS Warning Light Circuit (1 Of 3)
G00198664Courtesy of © TOYOTA, LICENSE AGREEMENT TMS1002
Fig 3: Testing Procedure ABS Warning Light Circuit (2 Of 3)
G00198665Courtesy of © TOYOTA, LICENSE AGREEMENT TMS1002
Fig 4: Testing Procedure ABS Warning Light Circuit (3 Of 3)
G00198666Courtesy of © TOYOTA, LICENSE AGREEMENT TMS1002