LEMON Manuals: Even more car manuals for everyone: 1960-2025
Home >> Lexus >> 2003 >> LX 470 >> Repair and Diagnosis >> Engine Performance >> System >> Engine Controls - System & Component Testing >> Computerized Engine Controls >> Engine Control Module (ECM) Power Source Circuit (Ignition On) >> Diagnosis & Repair
April 5, 2026: LEMON Manuals is launched! Read the announcement.

Diagnosis & Repair

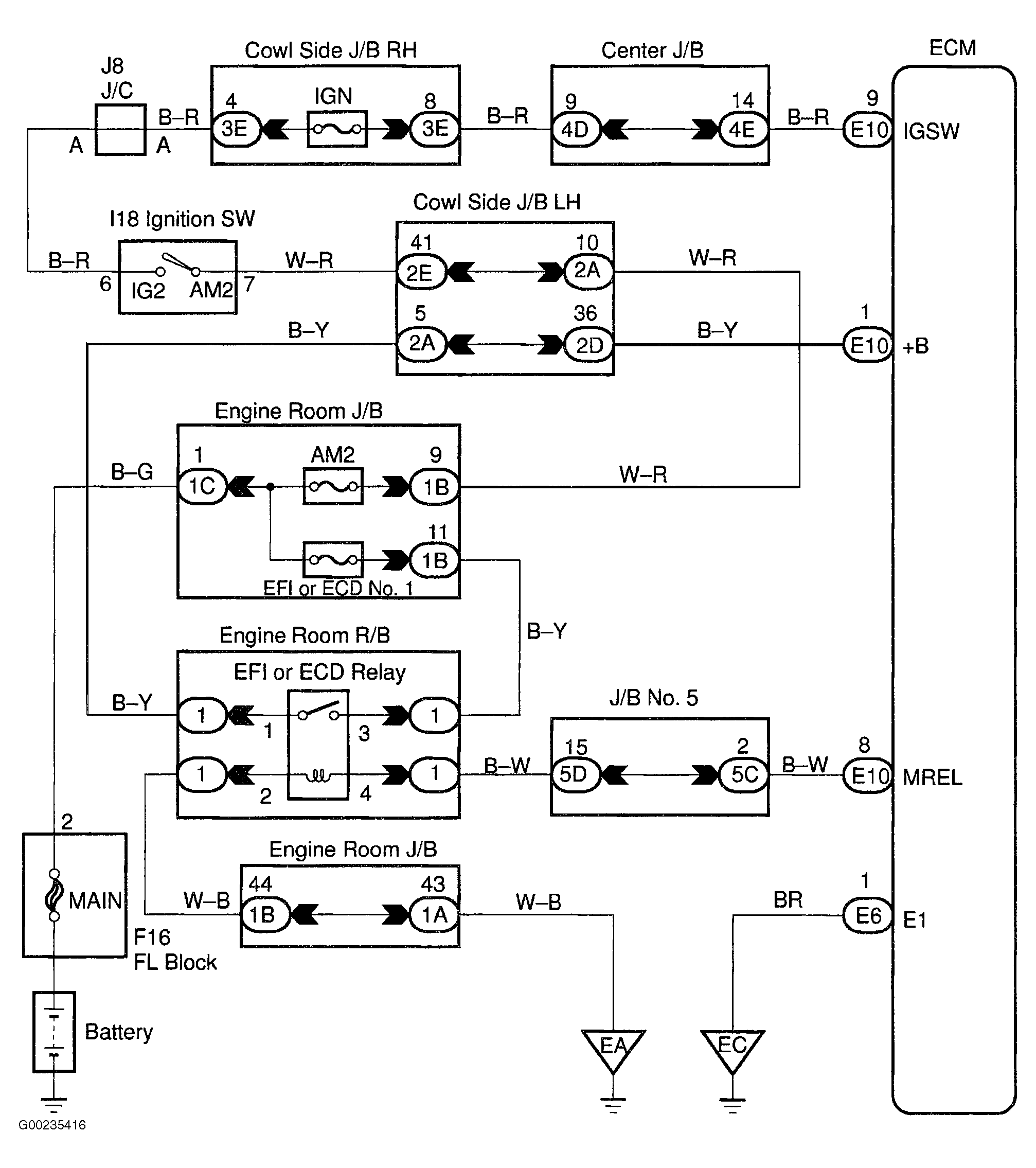
For wiring diagram, see Fig 1. For diagnosis and repair, see Fig 2-Fig 4 .

Fig 1: ECM Power Source Circuit Wiring Diagram
G00235416Courtesy of © TOYOTA, LICENSE AGREEMENT TMS1002
Fig 2: Diagnosis & Repair Of ECM Power Source Circuit (Step 1-3)
G00235417Courtesy of © TOYOTA, LICENSE AGREEMENT TMS1002
Fig 3: Diagnosis & Repair Of ECM Power Source Circuit (Step 4-6)
G00235418Courtesy of © TOYOTA, LICENSE AGREEMENT TMS1002
Fig 4: Diagnosis & Repair Of ECM Power Source Circuit (Step 7-9)
G00235419Courtesy of © TOYOTA, LICENSE AGREEMENT TMS1002