LEMON Manuals: Even more car manuals for everyone: 1960-2025
Home >> Lexus >> 2004 >> LS 430 >> Repair and Diagnosis >> Electrical >> Charging Systems >> Charging >> Charging System >> System Diagram
April 5, 2026: LEMON Manuals is launched! Read the announcement.

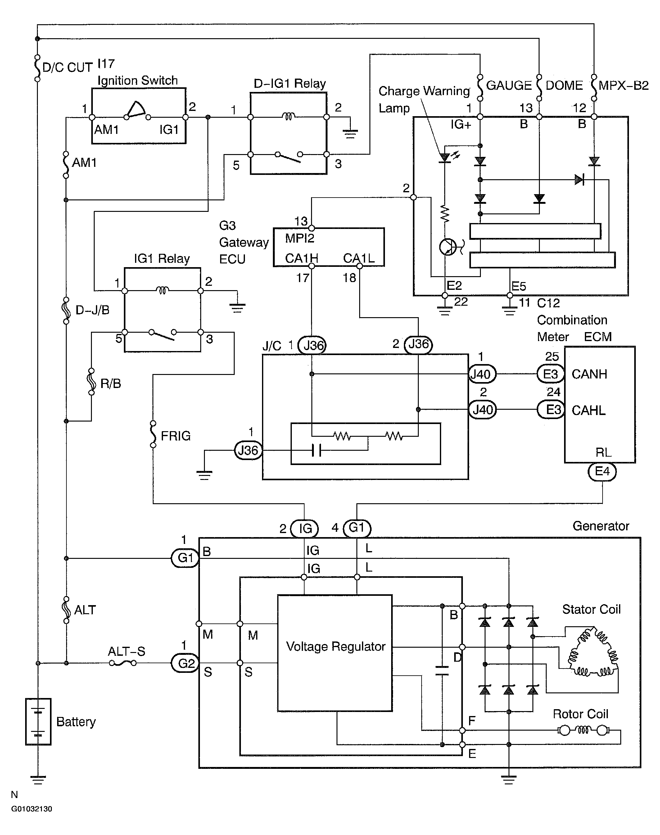
System Diagram

The charging system uses the voltage regulator to regulate electricity that is generated by the rotations of the rotor coil and stores this electricity in the battery.

Fig 1: Charging System Wiring Diagram
G01032130Courtesy of © TOYOTA, LICENSE AGREEMENT TMS1002