LEMON Manuals: Even more car manuals for everyone: 1960-2025
Home >> Lexus >> 2004 >> RX 330 AWD >> Repair and Diagnosis >> Body & Frame >> Windows >> Power Window Control System - Diagnosis >> Manual Up/Down Function Does Not Operate On Driver Side >> Wiring Diagram
April 5, 2026: LEMON Manuals is launched! Read the announcement.

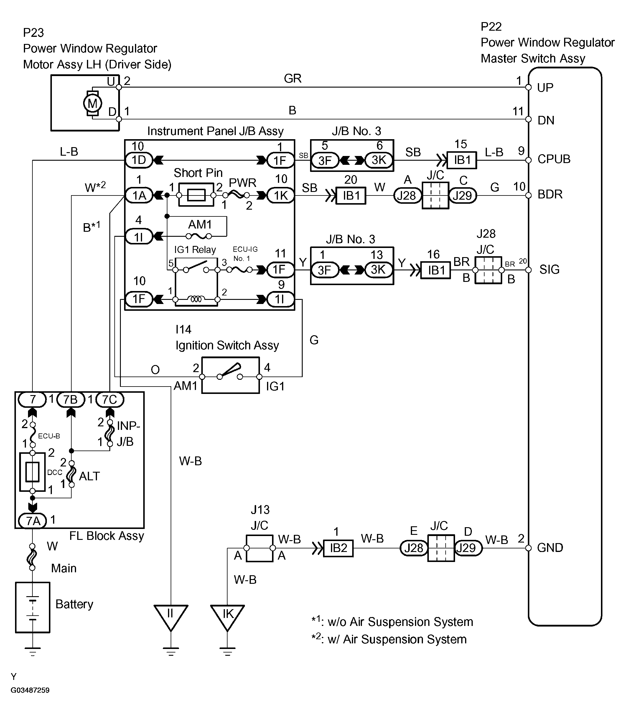
Manual Up/Down Function Does Not Operate On Driver Side: Wiring Diagram

Fig 1: Wiring Diagram - Manual UP/DOWN Function Not Operate On Driver Side
G03487259Courtesy of © TOYOTA, LICENSE AGREEMENT TMS1002