LEMON Manuals: Even more car manuals for everyone: 1960-2025
Home >> Lexus >> 2005 >> ES 330 >> Repair and Diagnosis >> Body & Frame >> Seats >> Front Power Seat Control System (W/Memory) - Diagnostics >> Park/Neutral Position Switch Circuit >> Circuit Description
April 5, 2026: LEMON Manuals is launched! Read the announcement.

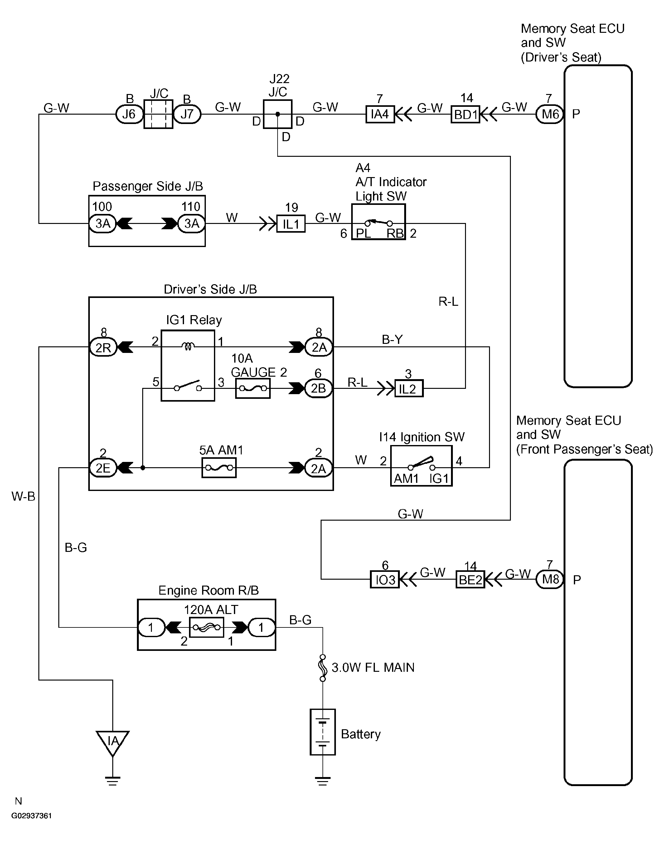
Circuit Description

Power seat memory system operates only when the ignition switch is in the ON position and the shift position is in the P position.

The front power seat switch (memory seat ECU and SW) detects the P position through the park/neutral position switch.

Fig 1: Parking / Neutral Position Circuit Diagram
G02937361Courtesy of © TOYOTA, LICENSE AGREEMENT TMS1002