LEMON Manuals: Even more car manuals for everyone: 1960-2025
Home >> Lexus >> 2005 >> GX 470 >> Repair and Diagnosis >> Engine Performance >> SFI System - Diagnostics >> Fuel Pump Control Circuit >> Inspection Procedure
April 5, 2026: LEMON Manuals is launched! Read the announcement.

Inspection Procedure

    Hand-held tester: 

  1. CHECK FUEL PUMP OPERATION (See  ON-VEHICLE INSPECTION  ) 
    1. Check if there is pressure in the fuel inlet hose.

      HINT:

      If there is fuel pressure, you will hear the fuel flowing sound.

    OK: Go to step   10 

    NG: Go to next step 

  2. PERFORM ACTIVE TEST BY HAND-HELD TESTER (OPERATE CIRCUIT OPENING RELAY) 
    1. Connect the hand-held tester to the DLC3.
    2. Turn the ignition switch to ON and turn the hand-held tester ON.
    3. Select the item: DIAGNOSIS / ENHANCED OBD II / ACTIVE TEST / FUEL PUMP / SPD.
    4. Check the relay operation when it is operated by the hand-held tester.

      Standard: Operating sound can be heard from the relay. 

    OK: Go to step   5 

    NG: Go to next step. 

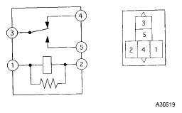
  3. INSPECT CIRCUIT OPENING RELAY 
    1. Remove the circuit opening relay from the engine room R/B.
    2. Check for continuity in the circuit opening relay.

      Standard: 

      CIRCUIT OPENING RELAY

      Tester Connection Specified Condition
      1 - 2 Continuity
      3 - 5 No continuity
      3 - 5 Continuity
      (Apply battery voltage to terminals 1 and 2)
      Fig 1: Inspecting Circuit Opening Relay
      G04676521Courtesy of © TOYOTA, LICENSE AGREEMENT TMS1002
    3. Reinstall the circuit opening relay.

    NG: REPLACE CIRCUIT OPENING RELAY 

    OK: Go to next step. 

  4. INSPECT ECM (FC VOLTAGE) 
    1. Turn the ignition switch to ON.
    2. Measure the voltage between the terminals of the E7 and E9 ECM connectors.

      Standard: 

      ECM (FC VOLTAGE)

      Tester Connection Specified Condition
      FC (E9-10) - E1 (E7-1) 9 to 14 V
    Fig 2: Inspecting ECM (FC Voltage)
    G04676522Courtesy of © TOYOTA, LICENSE AGREEMENT TMS1002

    OK: REPLACE ECM (See  REPLACEMENT  ) 

    NG: CHECK AND REPAIR HARNESS AND CONNECTOR (ECM - CIRCUIT OPENING RELAY, CIRCUIT OPENING RELAY - IGNITION SWITCH) 

  5. CHECK FOR ECM POWER SOURCE CIRCUIT ( ECM POWER SOURCE CIRCUIT   see ) 

    NG: REPAIR OR REPLACE 

    OK: Go To Next Step. 

  6. INSPECT FUEL PUMP RELAY ASSY 
    1. Remove the fuel pump relay from the engine room R/B.
    2. Check for continuity in the fuel pump relay.

      Standard: 

      FUEL PUMP RELAY ASSY

      Tester Connection Specified Condition
      1 - 2
      3 - 4
      Continuity
      3 - 5 No continuity
      3 - 5 Continuity
      (Apply battery voltage to terminals 1 and 2)
      Fig 3: Inspecting Fuel Pump Relay Assy
      G04676523Courtesy of © TOYOTA, LICENSE AGREEMENT TMS1002
    3. Reinstall the fuel pump relay.

    NG: REPLACE FUEL PUMP RELAY ASSY 

    OK: Go to next step. 

  7. INSPECT FUEL PUMP 
    1. Inspect fuel pump resistance.
      1. Disconnect the F15 fuel pump connector.
      2. Measure the resistance between the terminals of the fuel pump connector.

        Standard: 

        FUEL PUMP

        Tester Connection Specified Condition
        4 - 5 0.2 to 3.0 Ω at 20°C (68°F)
        Fig 4: Inspecting Fuel Pump
        G04676524Courtesy of © TOYOTA, LICENSE AGREEMENT TMS1002
      3. Reconnect the fuel pump connector.
    2. Inspect fuel pump operation
      1. Apply battery voltage to F15-4 (+) and F15-5 (-) terminals. Check that the pump operates.
      NOTE:
      • These tests must be done quickly (within 10 seconds) to prevent the coil from burning out.
      • Keep fuel pump as far away from the battery as possible.
      • Always do the switching at the battery side.

    NG: REPLACE FUEL PUMP 

    OK: Go to next step. 

  8. CHECK HARNESS AND CONNECTOR (FUEL PUMP - FUEL PUMP RELAY, FUEL PUMP - BODY GROUND) 
    1. Check the harness and connector between the fuel pump and fuel pump relay.
      1. Disconnect the F15 fuel pump connector.
      2. Remove the fuel pump relay from the engine room R/B.
      3. Check for continuity between the wire harness side connectors.
        Fig 5: Identifying Fuel Pump Connector
        G04676525Courtesy of © TOYOTA, LICENSE AGREEMENT TMS1002

        Standard (Check for open): 

      FUEL PUMP AND FUEL PUMP RELAY (CHECK FOR OPEN)

      Tester Connection Specified Condition
      Fuel pump (F15-4) - Engine room R/B (Fuel pump relay terminal 4) Below 1 Ω

      Standard (Check for short): 

      FUEL PUMP AND FUEL PUMP RELAY (CHECK FOR SHORT)

      Tester Connection Specified Condition
      Fuel pump (F15-4) or Engine room R/B (Fuel pump relay terminal 4) - Body ground 10 kΩ or higher
    2. Check the harness and connector between the fuel pump and body ground.
      1. Disconnect the F15 fuel pump connector.
      2. Check for continuity between the wire harness side connector and body ground.
        Fig 6: Identifying Fuel Pump Relay
        G04676526Courtesy of © TOYOTA, LICENSE AGREEMENT TMS1002

      Standard (Check for open): 

      FUEL PUMP AND BODY GROUND

      Tester Connection Specified Condition
      Engine room R/B (Fuel pump relay terminal 5) - Body ground Below 1 Ω

    NG: REPAIR OR REPLACE HARNESS OR CONNECTOR 

    OK: Go to next step. 

  9. CHECK HARNESS AND CONNECTOR (CIRCUIT OPENING RELAY - FUEL PUMP RELAY) 
    1. Remove the circuit opening relay from the engine room R/B.
    2. Remove the fuel pump relay from the engine room R/B.
    3. Check for continuity between the wire harness side connectors.
      Fig 7: Identifying Circuit Opening Relay
      G04676527Courtesy of © TOYOTA, LICENSE AGREEMENT TMS1002

      Standard (Check for open): 

      CIRCUIT OPENING RELAY - FUEL PUMP RELAY (CHECK FOR OPEN)

      Tester Connection Specified Condition
      Circuit opening relay (3) - Engine room R/B (Fuel pump relay terminal 3) Below 1 Ω

      Standard (Check for short): 

      CIRCUIT OPENING RELAY - FUEL PUMP RELAY (CHECK FOR SHORT)

      Tester Connection Specified Condition
      Circuit opening relay (3) or Engine room R/B (Fuel pump relay terminal 3) - Body ground 10 kΩ or higher
      Fig 8: Identifying Fuel Pump Relay
      G04676528Courtesy of © TOYOTA, LICENSE AGREEMENT TMS1002
    4. Reinstall the circuit opening relay.
    5. Reinstall the fuel pump relay.

    NG: REPAIR OR REPLACE HARNESS OR CONNECTOR 

    OK: CHECK AND REPAIR HARNESS AND CONNECTOR (EFI RELAY - CIRCUIT OPENING RELAY) 

  10. INSPECT FUEL PUMP RELAY ASSY 
    1. Remove the fuel pump relay from the engine room R/B.
    2. Check for continuity in the fuel pump relay.

      Standard: 

      FUEL PUMP RELAY ASSY

      Tester Connection Specified Condition
      1 - 2
      3 - 4
      Continuity
      3 - 5 No continuity
      3 - 5 Continuity
      (Apply battery voltage to terminals 1 and 2)
      Fig 9: Inspecting Fuel Pump Relay Assy
      G04676529Courtesy of © TOYOTA, LICENSE AGREEMENT TMS1002
    3. Reinstall the fuel pump relay.

    NG: REPLACE FUEL PUMP RELAY ASSY 

    OK: Go to next step. 

  11. INSPECT FUEL PUMP RESISTER (RESISTANCE) 
    1. Inspect the fuel pump resistor resistance.
      1. Measure the resistance between the terminals.

        Resistance: 0.70 to 0.76 Ω at 20°C (68°F) 

        Fig 10: Inspecting Fuel Pump Resister (Resistance)
        G04676530Courtesy of © TOYOTA, LICENSE AGREEMENT TMS1002

    NG: REPLACE FUEL PUMP RESISTER 

    OK: Go to next step. 

  12. CHECK HARNESS AND CONNECTOR (FUEL PUMP RELAY - FUEL PUMP RESISTOR, FUEL PUMP RESISTOR - F) 
    1. Check the harness and connector between the fuel pump relay and fuel pump resistor.
      1. Remove the fuel pump relay from the engine room R/B.
      2. Disconnect the F6 fuel pump resistor connector.
      3. Check the resistance between the wire harness side connectors.
        Fig 11: Identifying Fuel Pump Relay
        G04676531Courtesy of © TOYOTA, LICENSE AGREEMENT TMS1002

        Standard (Check for open): 

        FUEL PUMP RELAY AND FUEL PUMP RESISTOR (CHECK FOR OPEN)

        Tester Connection Specified Condition
        Engine room R/B (Fuel pump relay terminal 5) - Fuel pump resistor (F6-1) Below 1 Ω

        Standard (Check for short): 

        FUEL PUMP RELAY AND FUEL PUMP RESISTOR (CHECK FOR SHORT)

        Tester Connection Specified Condition
        Engine room R/B (Fuel pump relay terminal 5) or Fuel pump resistor (F6-1) - Body ground 10 kΩ or higher
      4. Reinstall the fuel pump relay.
      5. Reconnect the fuel pump resistor connector.
        Fig 12: Identifying Fuel Pump Resistor Connector
        G04676532Courtesy of © TOYOTA, LICENSE AGREEMENT TMS1002
    2. Check the harness and connector between the fuel pump resistor and fuel pump.
      1. Disconnect the F6 fuel pump resistor connector.
      2. Disconnect the F15 fuel pump connector.
      3. Check the resistance between the wire harness side connectors.
        Fig 13: Identifying Fuel Pump Connector
        G04676533Courtesy of © TOYOTA, LICENSE AGREEMENT TMS1002

      Standard (Check for open): 

      FUEL PUMP RESISTOR AND FUEL PUMP (CHECK FOR OPEN)

      Tester Connection Specified Condition
      Fuel pump resistor (F6-2) - Fuel pump (F15-4) Below 1 Ω

      Standard (Check for short): 

      FUEL PUMP RESISTOR AND FUEL PUMP (CHECK FOR SHORT)

      Tester Connection Specified Condition
      Fuel pump resistor (F6-2) or Fuel pump (F15-4) - Body ground 10 kΩ or higher
    3. Reconnect the fuel pump resistor connector.
    4. Reconnect the fuel pump connector.

    OK: PROCEED TO NEXT CIRCUIT INSPECTION SHOWN ON PROBLEM SYMPTOMS TABLE (See  PROBLEM SYMPTOMS TABLE   ) 

    NG: REPAIR OR REPLACE HARNESS OR CONNECTOR