LEMON Manuals: Even more car manuals for everyone: 1960-2025
Home >> Lexus >> 2005 >> SC 430 >> Repair and Diagnosis >> Engine Performance >> Fuel Delivery >> Fuel >> Fuel System >> System Diagram
April 5, 2026: LEMON Manuals is launched! Read the announcement.

System Diagram

Fig 1: Fuel System Diagram (1 Of 3)
G02958582Courtesy of © TOYOTA, LICENSE AGREEMENT TMS1002

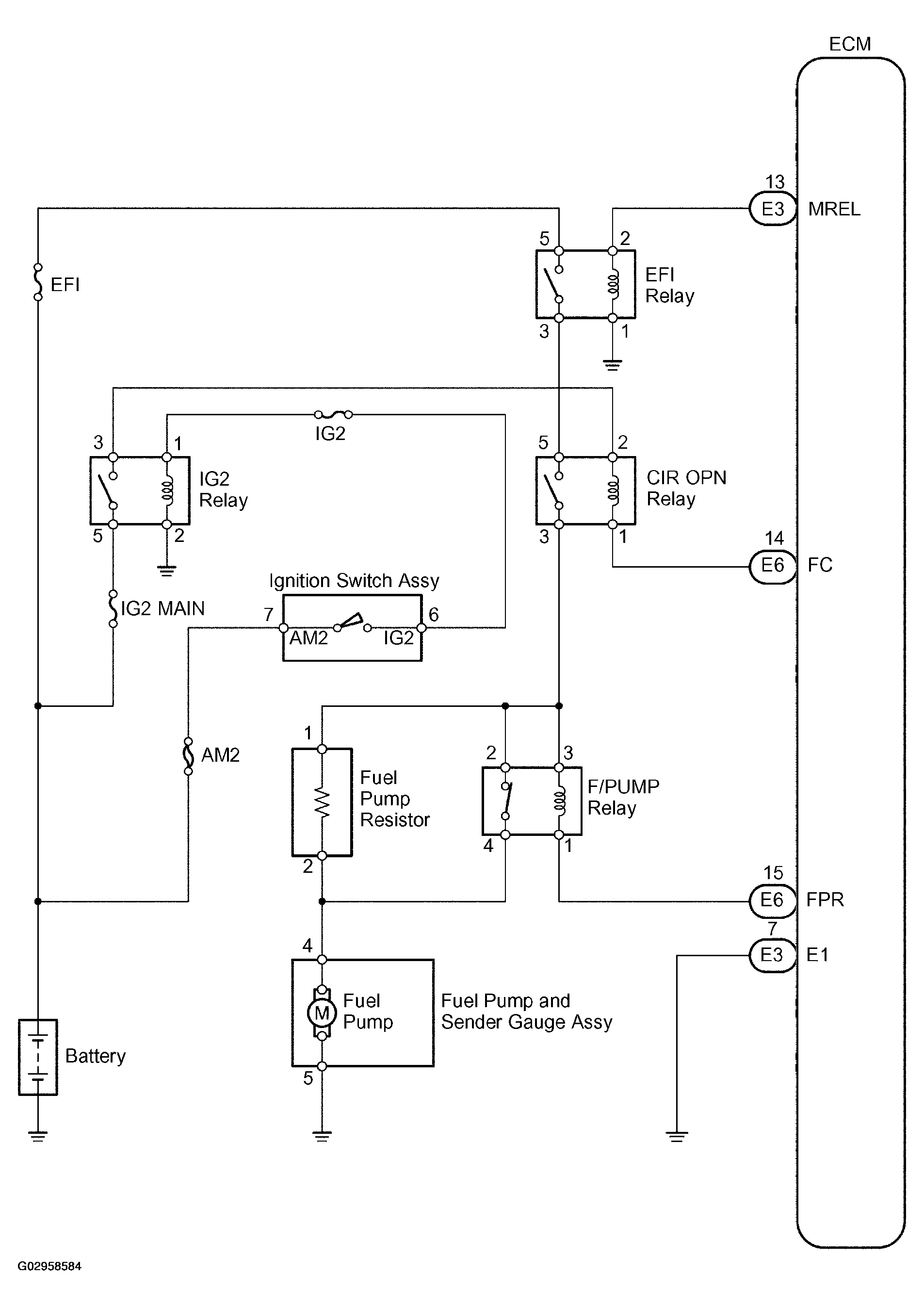
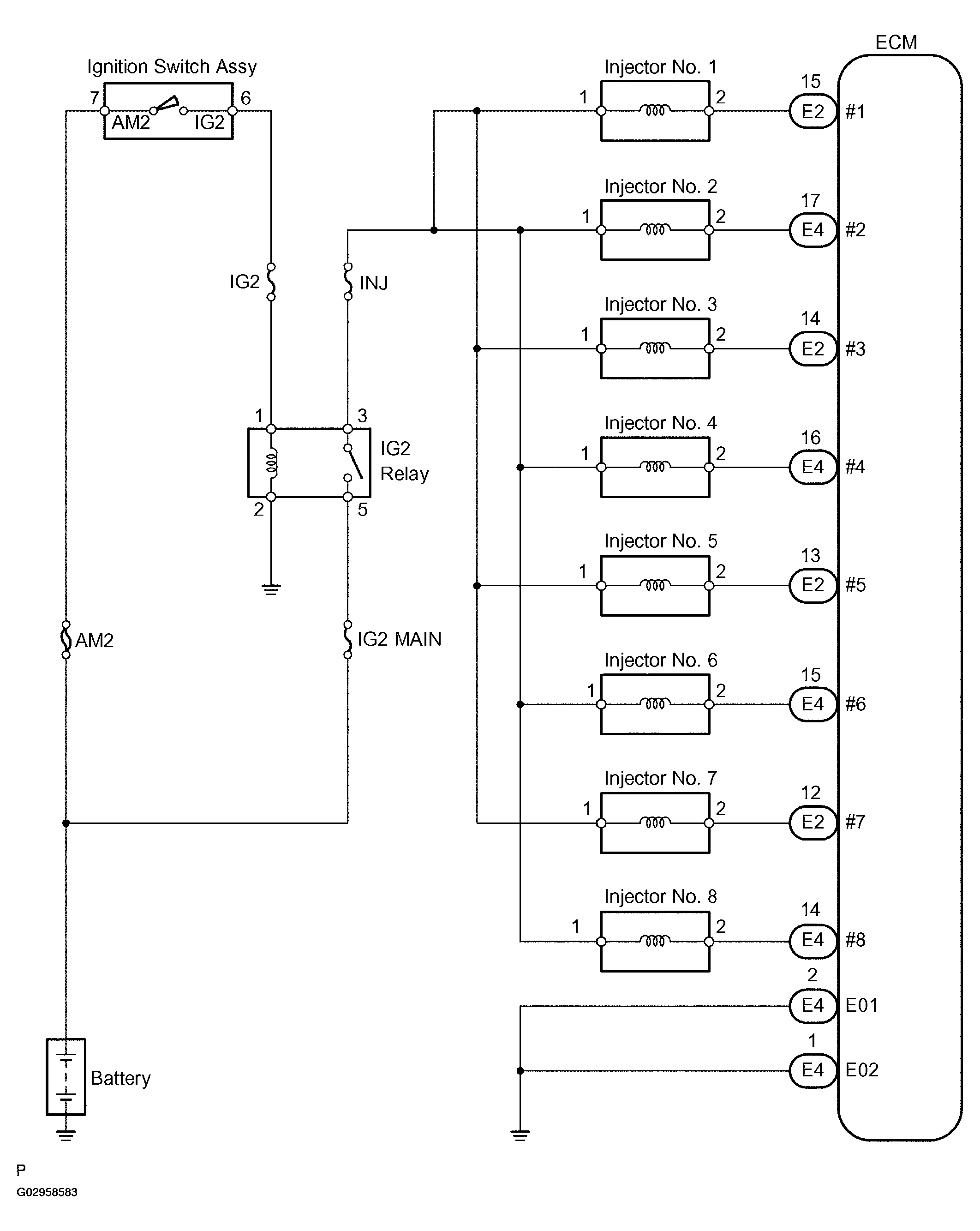
The fuel system is controlled by the ECM based on signals from various sensors.

Fig 2: Fuel System Diagram (2 Of 3)
G02958583Courtesy of © TOYOTA, LICENSE AGREEMENT TMS1002
Fig 3: Fuel System Diagram (3 Of 3)
G02958584Courtesy of © TOYOTA, LICENSE AGREEMENT TMS1002