LEMON Manuals: Even more car manuals for everyone: 1960-2025
Home >> Lexus >> 2006 >> GS 300 AWD >> Repair and Diagnosis >> Body & Frame >> Windows >> Windshield / WINDOWGLASS >> Power Window Control System >> Front Passenger Side Power Window Auto Up / Down Function does not Operate with Front Passenger Side Power Window Switch >> Wiring Diagram
April 5, 2026: LEMON Manuals is launched! Read the announcement.

Front Passenger Side Power Window Auto Up / Down Function does not Operate with Front Passenger Side Power Window Switch: Wiring Diagram

Fig 1: Identifying Front Passenger Side Power Window Auto Up Wiring Diagram
G04023040Courtesy of © TOYOTA, LICENSE AGREEMENT TMS1002
  1. CHECK MANUAL UP/DOWN FUNCTION (FRONT PASSENGER SIDE) 
    1. Check that the manual UP/DOWN functions operate normally.

      OK: Manual UP/DOWN functions operate normally. 

    NG : OTHER PROBLEM 

    OK : GO TO NEXT STEP 

  2. CHECK LIGHT OF MULTIPLEX NETWORK SWITCH ASSEMBLY (FRONT PASSENGER SIDE) (AUTO LIGHT) 
    1. Turn the engine switch on (IG).
    2. Operate the switch for 2 seconds or more.
    3. Check the blinking pattern of the AUTO light. Compare the blinking pattern with the illustration below.
      Fig 2: Identifying Auto Light Switch
      G04023041Courtesy of © TOYOTA, LICENSE AGREEMENT TMS1002
      Fig 3: AUTO Light Blinking Pattern Chart
      G04032384Courtesy of © TOYOTA, LICENSE AGREEMENT TMS1002

      Result: 

      BLINKING PATTERN SPECIFICATION

      Blinking Pattern Proceed to
      1 or 3 A
      2 B
      4 C

    B : Go to step   4 

    C : REPLACE MULTIPLEX NETWORK SWITCH ASSEMBLY (FRONT PASSENGER SIDE) 

    A : GO TO NEXT STEP 

  3. RESET POWER WINDOW REGULATOR MOTOR ASSEMBLY RH FRONT 
    1. Check that the power window operates normally after it is reset.

      OK: Power window operates normally. 

    NG : Go to step 4 

    OK : END 

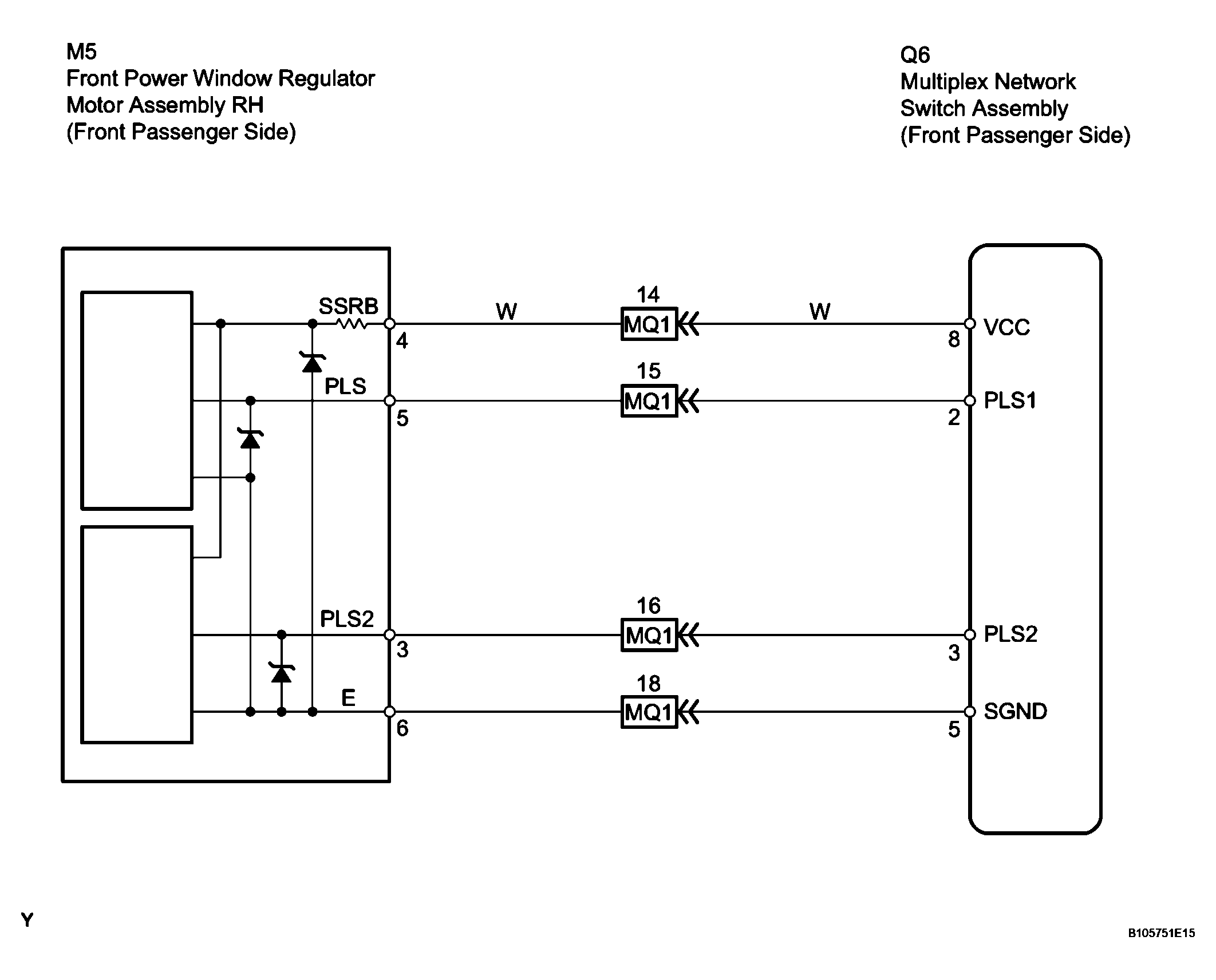
  4. CHECK (SWITCH ASSEMBLY (FRONT PASSENGER SIDE) - FRONT MOTOR ASSEMBLY RH (FRONT PASSENGER SIDE)) 
    1. Disconnect the Q6 switch connector.
    2. Disconnect the M5 power window motor connector.
    3. Measure the resistance of the wire harness side connectors.

      Standard resistance 

      TESTER CONNECTION SPECIFICATION CHART

      Tester Connection Specified Condition
      Q6-8 (VCC) - M5-4 (SSRB) Below 1 Ω
      Q6-2 (PLS1) - M5-5 (PLS) Below 1 Ω
      Q6-3 (PLS2) - M5-3 (PLS2) Below 1 Ω
      Q6-5 (SGND) - M5-6 (E) Below 1 Ω
      Q6-8 (VCC) or M5-4 (SSRB) - Body ground 10 kΩ or higher
      Q6-2 (PLS1) or M5-5 (PLS) - Body ground 10 kΩ or higher
      Q6-3 (PLS2) or M5-3 (PLS2) - Body ground 10 kΩ or higher
      Q6-5 (SGND) or M5-6 (E) - Body ground 10 kΩ or higher
      Fig 4: Identifying Terminal Connector
      G04023043Courtesy of © TOYOTA, LICENSE AGREEMENT TMS1002

    NG : REPAIR OR REPLACE HARNESS AND CONNECTOR 

    OK : REPLACE FRONT POWER WINDOW REGULATOR MOTOR ASSEMBLY RH (FRONT PASSENGER SIDE)