LEMON Manuals: Even more car manuals for everyone: 1960-2025
Home >> Lexus >> 2006 >> GS 430 >> Repair and Diagnosis >> Electrical >> Body Electrical >> OEM System Circuits >> Dynamic Radar Cruise Control for 3UZ-FE >> Notes
April 5, 2026: LEMON Manuals is launched! Read the announcement.

Dynamic Radar Cruise Control for 3UZ-FE: Notes

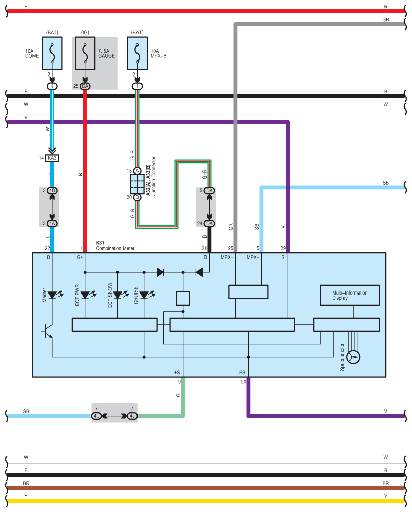
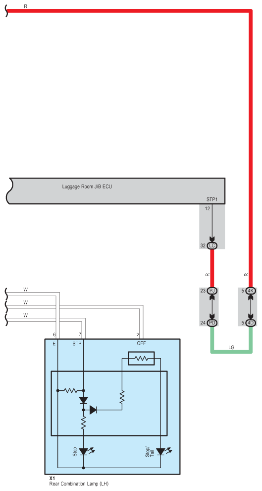
Fig 1: Dynamic Radar Cruise Control For 3UZ-FE System Wiring Diagram (1 Of 15)
G08910430Courtesy of © TOYOTA, LICENSE AGREEMENT TMS1002
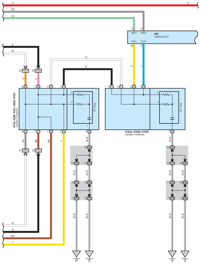
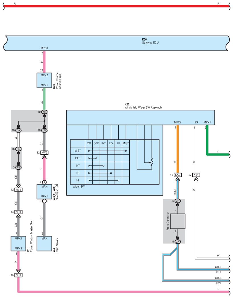
Fig 2: Dynamic Radar Cruise Control For 3UZ-FE System Wiring Diagram (2 Of 15)
G08910431Courtesy of © TOYOTA, LICENSE AGREEMENT TMS1002
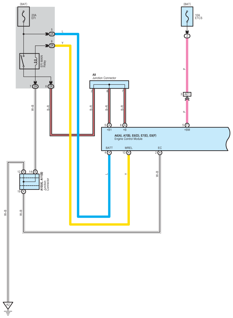
Fig 3: Dynamic Radar Cruise Control For 3UZ-FE System Wiring Diagram (3 Of 15)
G08910432Courtesy of © TOYOTA, LICENSE AGREEMENT TMS1002
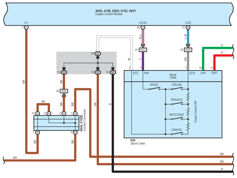
Fig 4: Dynamic Radar Cruise Control For 3UZ-FE System Wiring Diagram (4 Of 15)
G08910433Courtesy of © TOYOTA, LICENSE AGREEMENT TMS1002
Fig 5: Dynamic Radar Cruise Control For 3UZ-FE System Wiring Diagram (5 Of 15)
G08910434Courtesy of © TOYOTA, LICENSE AGREEMENT TMS1002
Fig 6: Dynamic Radar Cruise Control For 3UZ-FE System Wiring Diagram (6 Of 15)
G08910435Courtesy of © TOYOTA, LICENSE AGREEMENT TMS1002
Fig 7: Dynamic Radar Cruise Control For 3UZ-FE System Wiring Diagram (7 Of 15)
G08910436Courtesy of © TOYOTA, LICENSE AGREEMENT TMS1002
Fig 8: Dynamic Radar Cruise Control For 3UZ-FE System Wiring Diagram (8 Of 15)
G08910437Courtesy of © TOYOTA, LICENSE AGREEMENT TMS1002
Fig 9: Dynamic Radar Cruise Control For 3UZ-FE System Wiring Diagram (9 Of 15)
G08910438Courtesy of © TOYOTA, LICENSE AGREEMENT TMS1002
Fig 10: Dynamic Radar Cruise Control For 3UZ-FE System Wiring Diagram (10 Of 15)
G08910439Courtesy of © TOYOTA, LICENSE AGREEMENT TMS1002
Fig 11: Dynamic Radar Cruise Control For 3UZ-FE System Wiring Diagram (11 Of 15)
G08910440Courtesy of © TOYOTA, LICENSE AGREEMENT TMS1002
Fig 12: Dynamic Radar Cruise Control For 3UZ-FE System Wiring Diagram (12 Of 15)
G08910441Courtesy of © TOYOTA, LICENSE AGREEMENT TMS1002
Fig 13: Dynamic Radar Cruise Control For 3UZ-FE System Wiring Diagram (13 Of 15)
G08910442Courtesy of © TOYOTA, LICENSE AGREEMENT TMS1002
Fig 14: Dynamic Radar Cruise Control For 3UZ-FE System Wiring Diagram (14 Of 15)
G08910443Courtesy of © TOYOTA, LICENSE AGREEMENT TMS1002
Fig 15: Dynamic Radar Cruise Control For 3UZ-FE System Wiring Diagram (15 Of 15)
G08910444Courtesy of © TOYOTA, LICENSE AGREEMENT TMS1002