LEMON Manuals: Even more car manuals for everyone: 1960-2025
Home >> Lexus >> 2006 >> GX 470 >> Repair and Diagnosis >> Electrical >> Body Electrical >> OEM System Circuits >> Audio System without RSES >> Notes
April 5, 2026: LEMON Manuals is launched! Read the announcement.

Audio System without RSES: Notes

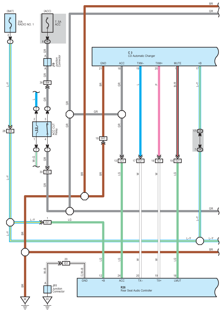
Fig 1: Audio System Without RSES Wiring Diagram (1 Of 7)
G08910198Courtesy of © TOYOTA, LICENSE AGREEMENT TMS1002
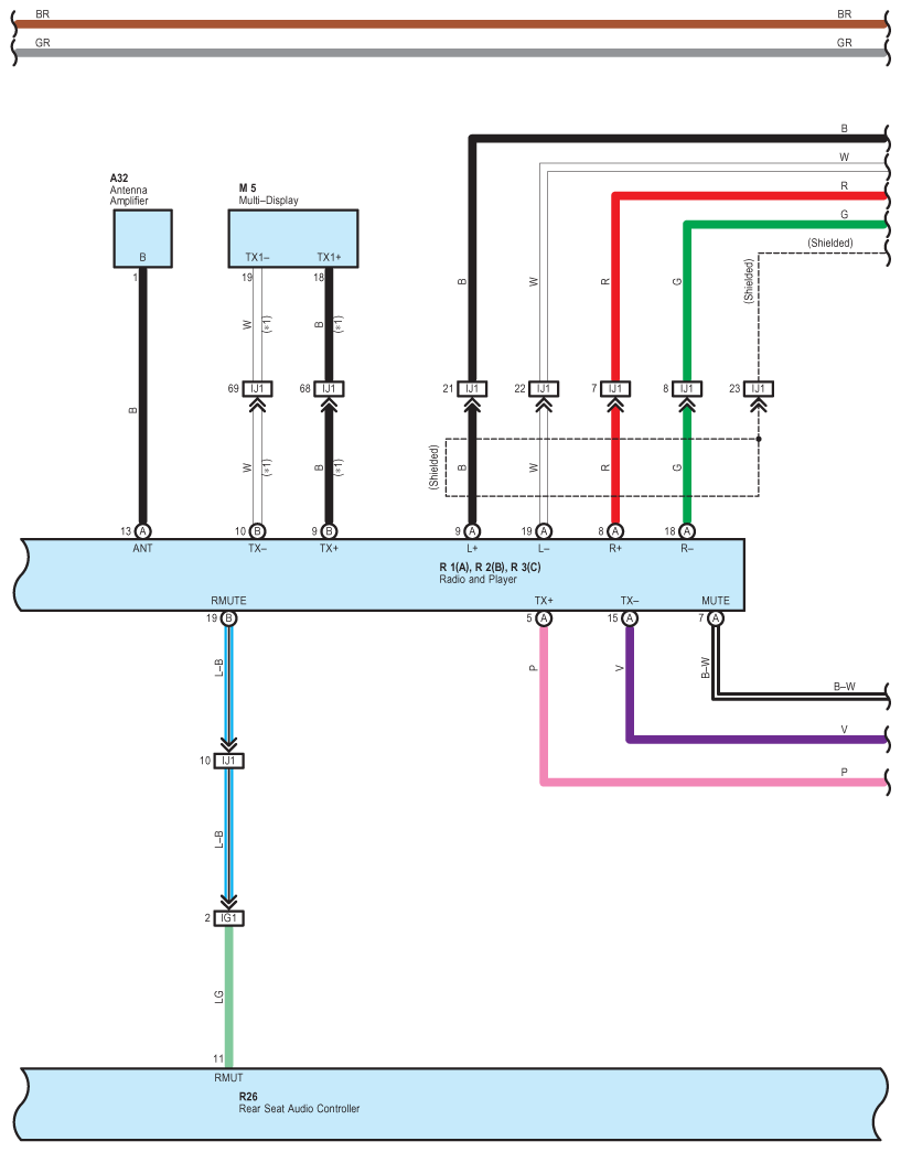
Fig 2: Audio System Without RSES Wiring Diagram (2 Of 7)
G08910199Courtesy of © TOYOTA, LICENSE AGREEMENT TMS1002
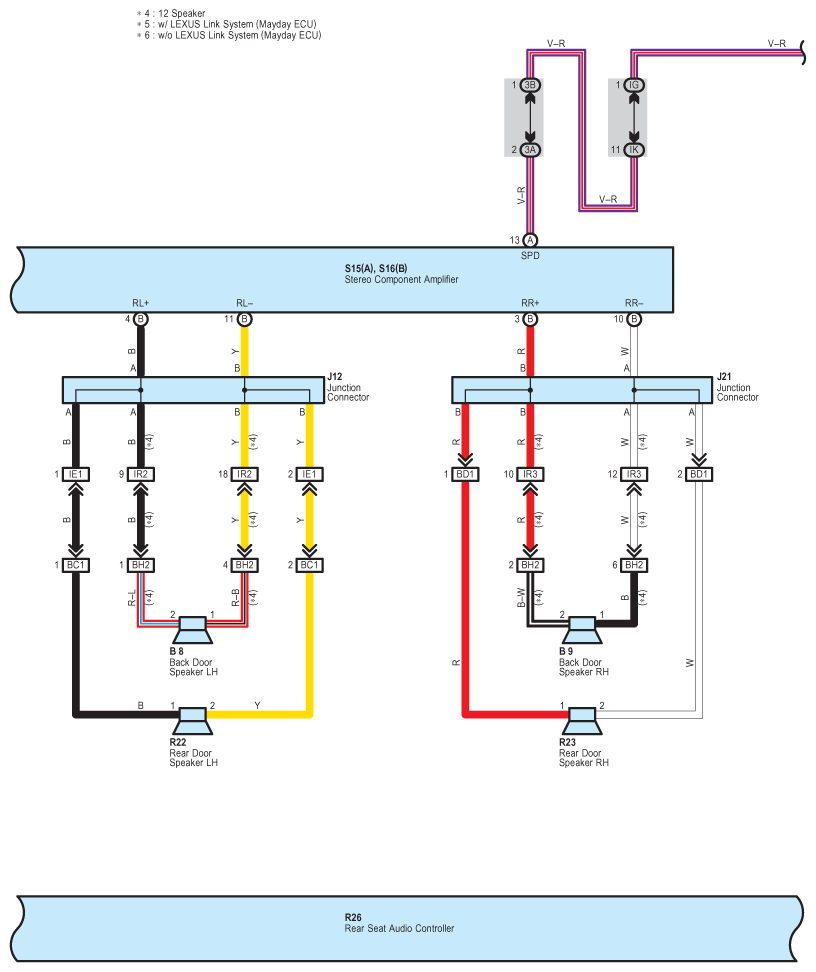
Fig 3: Audio System Without RSES Wiring Diagram (3 Of 7)
G08910200Courtesy of © TOYOTA, LICENSE AGREEMENT TMS1002
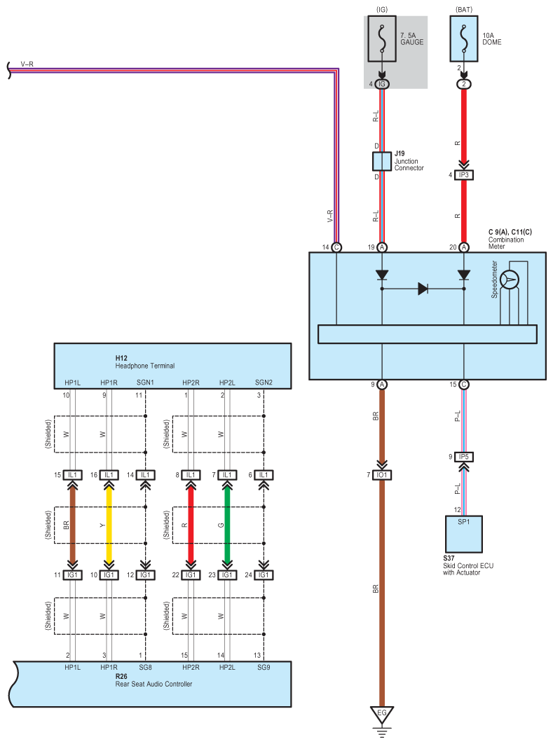
Fig 4: Audio System Without RSES Wiring Diagram (4 Of 7)
G08910201Courtesy of © TOYOTA, LICENSE AGREEMENT TMS1002
Fig 5: Audio System Without RSES Wiring Diagram (5 Of 7)
G08910202Courtesy of © TOYOTA, LICENSE AGREEMENT TMS1002
Fig 6: Audio System Without RSES Wiring Diagram (6 Of 7)
G08910203Courtesy of © TOYOTA, LICENSE AGREEMENT TMS1002
Fig 7: Audio System Without RSES Wiring Diagram (7 Of 7)
G08910204Courtesy of © TOYOTA, LICENSE AGREEMENT TMS1002