LEMON Manuals: Even more car manuals for everyone: 1960-2025
Home >> Lexus >> 2006 >> GX 470 >> Repair and Diagnosis >> Electrical >> Body Electrical >> OEM System Circuits >> Electric Modulated Air Suspension >> Notes
April 5, 2026: LEMON Manuals is launched! Read the announcement.

Electric Modulated Air Suspension: Notes

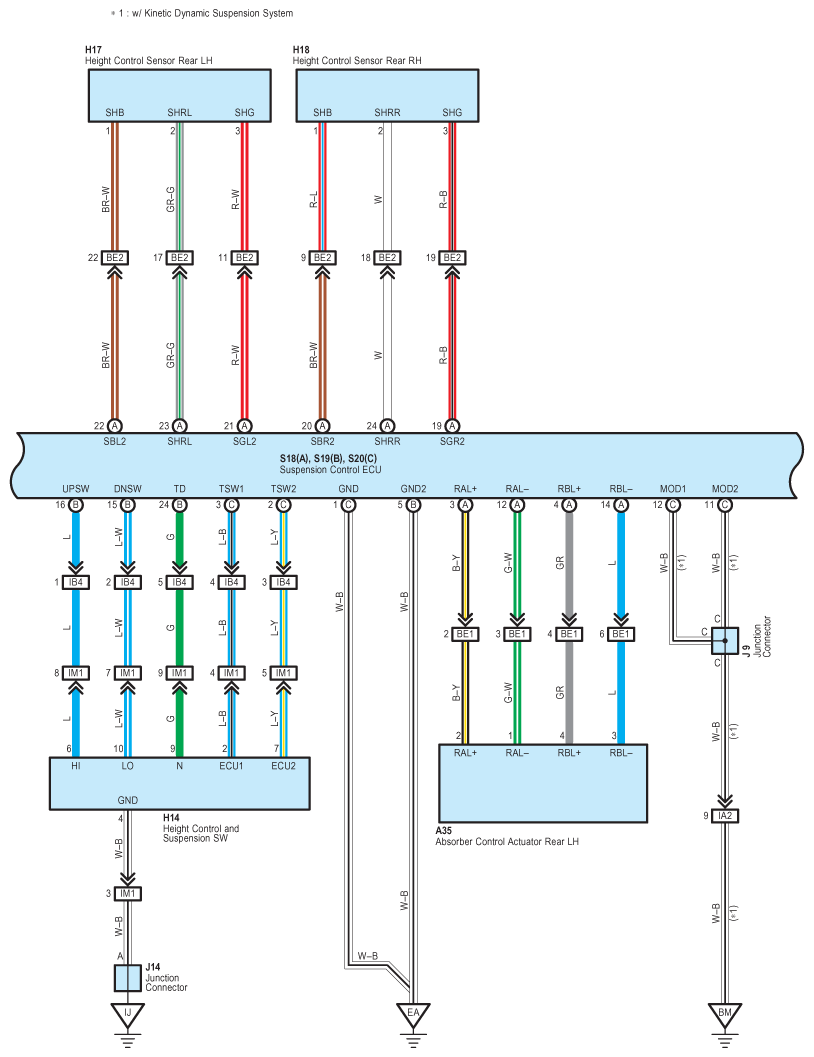
Fig 1: Electric Modulated Air Suspension Wiring Diagram (1 Of 6)
G08910123Courtesy of © TOYOTA, LICENSE AGREEMENT TMS1002
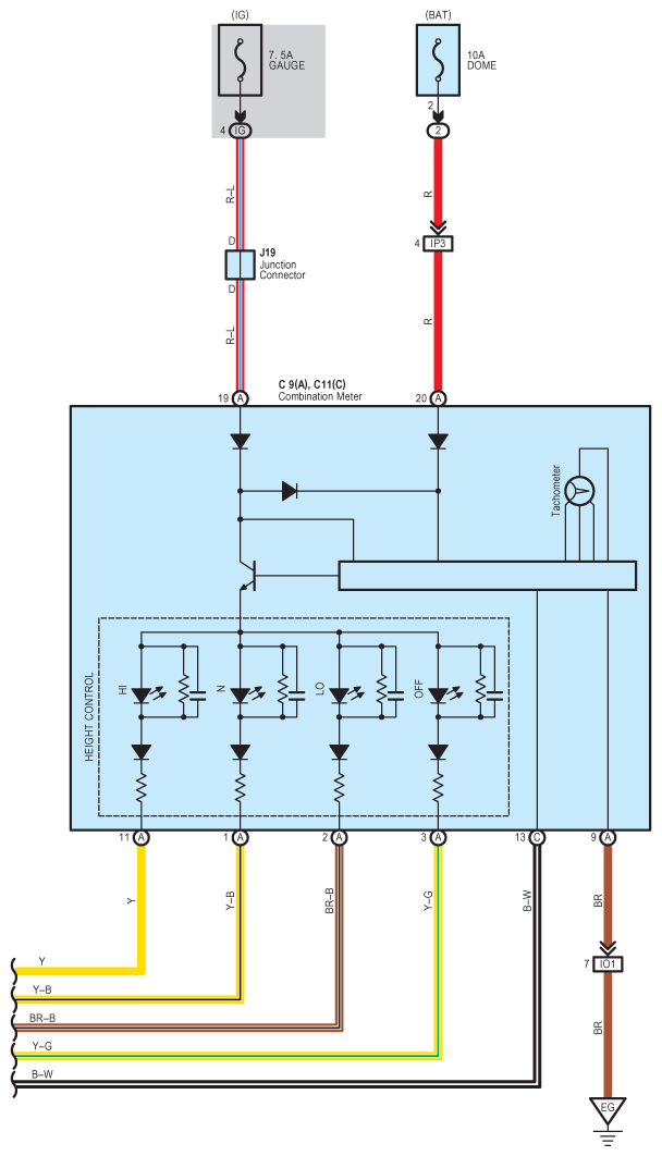
Fig 2: Electric Modulated Air Suspension Wiring Diagram (2 Of 6)
G08910124Courtesy of © TOYOTA, LICENSE AGREEMENT TMS1002
Fig 3: Electric Modulated Air Suspension Wiring Diagram (3 Of 6)
G08910125Courtesy of © TOYOTA, LICENSE AGREEMENT TMS1002
Fig 4: Electric Modulated Air Suspension Wiring Diagram (4 Of 6)
G08910126Courtesy of © TOYOTA, LICENSE AGREEMENT TMS1002
Fig 5: Electric Modulated Air Suspension Wiring Diagram (5 Of 6)
G08910127Courtesy of © TOYOTA, LICENSE AGREEMENT TMS1002
Fig 6: Electric Modulated Air Suspension Wiring Diagram (6 Of 6)
G08910128Courtesy of © TOYOTA, LICENSE AGREEMENT TMS1002