LEMON Manuals: Even more car manuals for everyone: 1960-2025
Home >> Lexus >> 2006 >> GX 470 >> Repair and Diagnosis >> Electrical >> Body Electrical >> OEM System Circuits >> Ignition >> Notes
April 5, 2026: LEMON Manuals is launched! Read the announcement.

OEM System Circuits: Ignition: Notes

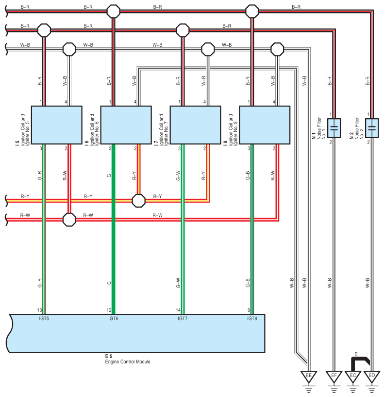
Fig 1: Ignition Wiring Diagram (1 Of 2)
G08910010Courtesy of © TOYOTA, LICENSE AGREEMENT TMS1002
Fig 2: Ignition Wiring Diagram (2 Of 2)
G08910011Courtesy of © TOYOTA, LICENSE AGREEMENT TMS1002