LEMON Manuals: Even more car manuals for everyone: 1960-2025
Home >> Lexus >> 2006 >> GX 470 >> Repair and Diagnosis >> Electrical >> Body Electrical >> OEM System Circuits >> Moon Roof >> Notes
April 5, 2026: LEMON Manuals is launched! Read the announcement.

Moon Roof: Notes

Fig 1: Moon Roof Wiring Diagram (1 Of 3)
G08910138Courtesy of © TOYOTA, LICENSE AGREEMENT TMS1002
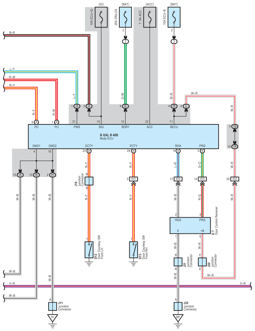
Fig 2: Moon Roof Wiring Diagram (2 Of 3)
G08910139Courtesy of © TOYOTA, LICENSE AGREEMENT TMS1002
Fig 3: Moon Roof Wiring Diagram (3 Of 3)
G08910140Courtesy of © TOYOTA, LICENSE AGREEMENT TMS1002