LEMON Manuals: Even more car manuals for everyone: 1960-2025
Home >> Lexus >> 2006 >> GX 470 >> Repair and Diagnosis >> Electrical >> Body Electrical >> OEM System Circuits >> Multiplex Communication System - BEAN >> Notes
April 5, 2026: LEMON Manuals is launched! Read the announcement.

Multiplex Communication System - BEAN: Notes

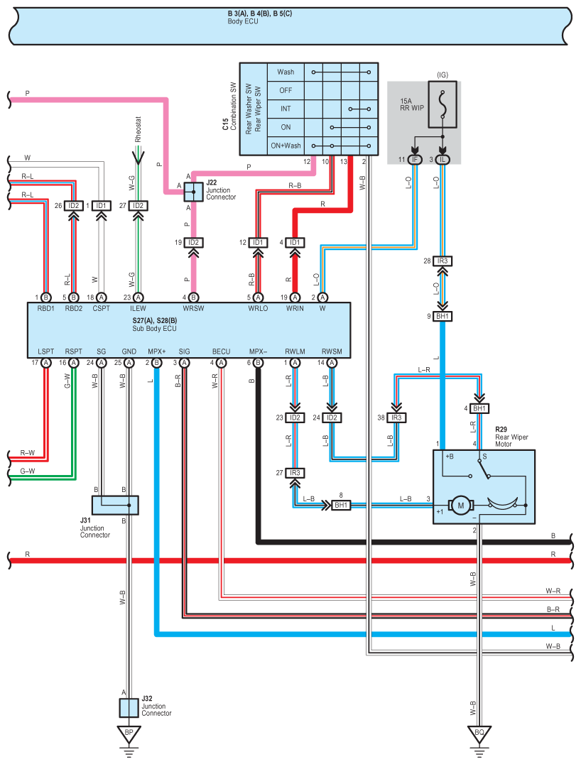
Fig 1: Multiplex Communication System - BEAN Wiring Diagram (1 Of 21)
G08910027Courtesy of © TOYOTA, LICENSE AGREEMENT TMS1002
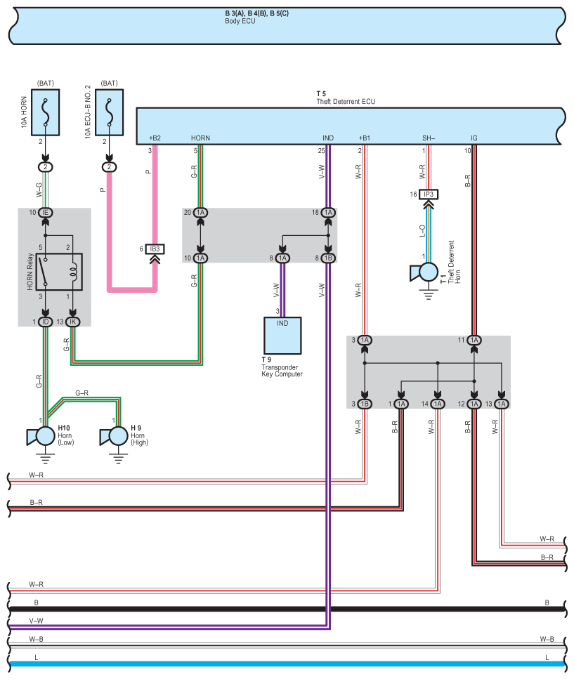
Fig 2: Multiplex Communication System - BEAN Wiring Diagram (2 Of 21)
G08910028Courtesy of © TOYOTA, LICENSE AGREEMENT TMS1002
Fig 3: Multiplex Communication System - BEAN Wiring Diagram (3 Of 21)
G08910029Courtesy of © TOYOTA, LICENSE AGREEMENT TMS1002
Fig 4: Multiplex Communication System - BEAN Wiring Diagram (4 Of 21)
G08910030Courtesy of © TOYOTA, LICENSE AGREEMENT TMS1002
Fig 5: Multiplex Communication System - BEAN Wiring Diagram (5 Of 21)
G08910031Courtesy of © TOYOTA, LICENSE AGREEMENT TMS1002
Fig 6: Multiplex Communication System - BEAN Wiring Diagram (6 Of 21)
G08910032Courtesy of © TOYOTA, LICENSE AGREEMENT TMS1002
Fig 7: Multiplex Communication System - BEAN Wiring Diagram (7 Of 21)
G08910033Courtesy of © TOYOTA, LICENSE AGREEMENT TMS1002
Fig 8: Multiplex Communication System - BEAN Wiring Diagram (8 Of 21)
G08910034Courtesy of © TOYOTA, LICENSE AGREEMENT TMS1002
Fig 9: Multiplex Communication System - BEAN Wiring Diagram (9 Of 21)
G08910035Courtesy of © TOYOTA, LICENSE AGREEMENT TMS1002
Fig 10: Multiplex Communication System - BEAN Wiring Diagram (10 Of 21)
G08910036Courtesy of © TOYOTA, LICENSE AGREEMENT TMS1002
Fig 11: Multiplex Communication System - BEAN Wiring Diagram (11 Of 21)
G08910037Courtesy of © TOYOTA, LICENSE AGREEMENT TMS1002
Fig 12: Multiplex Communication System - BEAN Wiring Diagram (12 Of 21)
G08910038Courtesy of © TOYOTA, LICENSE AGREEMENT TMS1002
Fig 13: Multiplex Communication System - BEAN Wiring Diagram (13 Of 21)
G08910039Courtesy of © TOYOTA, LICENSE AGREEMENT TMS1002
Fig 14: Multiplex Communication System - BEAN Wiring Diagram (14 Of 21)
G08910040Courtesy of © TOYOTA, LICENSE AGREEMENT TMS1002
Fig 15: Multiplex Communication System - BEAN Wiring Diagram (15 Of 21)
G08910041Courtesy of © TOYOTA, LICENSE AGREEMENT TMS1002
Fig 16: Multiplex Communication System - BEAN Wiring Diagram (16 Of 21)
G08910042Courtesy of © TOYOTA, LICENSE AGREEMENT TMS1002
Fig 17: Multiplex Communication System - BEAN Wiring Diagram (17 Of 21)
G08910043Courtesy of © TOYOTA, LICENSE AGREEMENT TMS1002
Fig 18: Multiplex Communication System - BEAN Wiring Diagram (18 Of 21)
G08910044Courtesy of © TOYOTA, LICENSE AGREEMENT TMS1002
Fig 19: Multiplex Communication System - BEAN Wiring Diagram (19 Of 21)
G08910045Courtesy of © TOYOTA, LICENSE AGREEMENT TMS1002
Fig 20: Multiplex Communication System - BEAN Wiring Diagram (20 Of 21)
G08910046Courtesy of © TOYOTA, LICENSE AGREEMENT TMS1002
Fig 21: Multiplex Communication System - BEAN Wiring Diagram (21 Of 21)
G08910047Courtesy of © TOYOTA, LICENSE AGREEMENT TMS1002