LEMON Manuals: Even more car manuals for everyone: 1960-2025
Home >> Lexus >> 2006 >> GX 470 >> Repair and Diagnosis >> Electrical >> Body Electrical >> OEM System Circuits >> Power Source >> Notes
April 5, 2026: LEMON Manuals is launched! Read the announcement.

Power Source: Notes

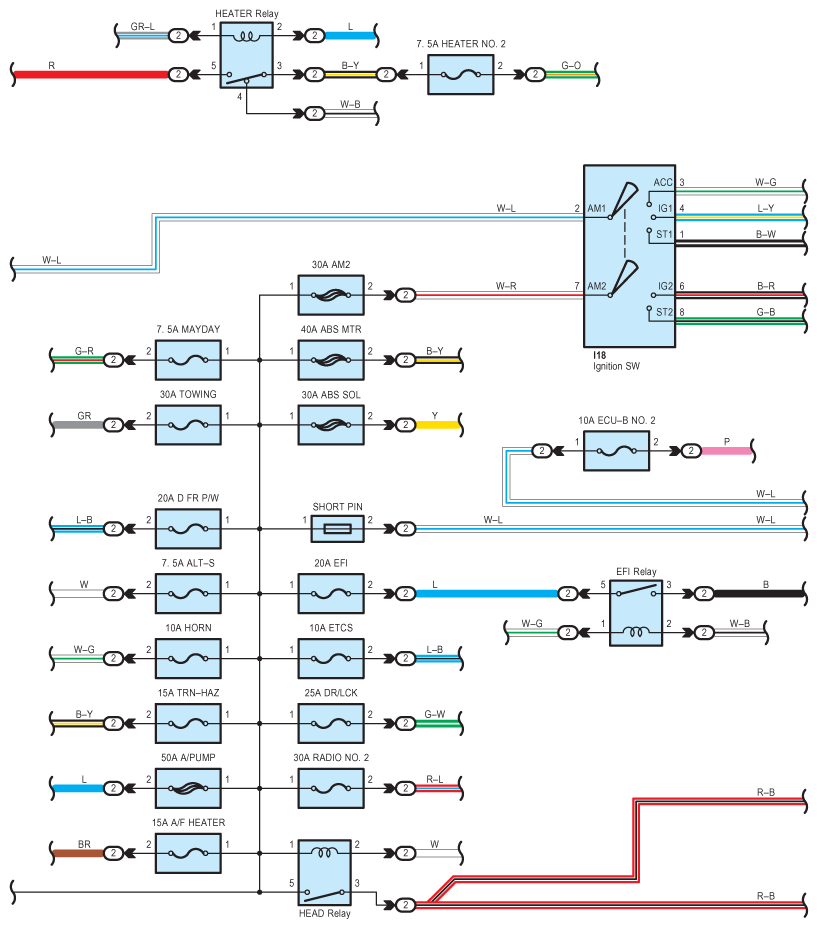
Fig 1: Power Source Wiring Diagram (1 Of 3)
G08910006Courtesy of © TOYOTA, LICENSE AGREEMENT TMS1002
Fig 2: Power Source Wiring Diagram (2 Of 3)
G08910007Courtesy of © TOYOTA, LICENSE AGREEMENT TMS1002
Fig 3: Power Source Wiring Diagram (3 Of 3)
G08910008Courtesy of © TOYOTA, LICENSE AGREEMENT TMS1002