LEMON Manuals: Even more car manuals for everyone: 1960-2025
Home >> Lexus >> 2006 >> GX 470 >> Repair and Diagnosis >> External Pages >> Different car >> Section 41 (Navigation) >> Navigation System >> Navigation ECU Power Source Circuit >> Wiring Diagram
April 5, 2026: LEMON Manuals is launched! Read the announcement.

Navigation ECU Power Source Circuit: Wiring Diagram

WARNING: This page is about a different car, the 2006 Lexus GS 430 and 2006 Lexus GS 300. However, it is still accessible from the selected car via links, so may be relevant.

The wiring diagram is shown below.

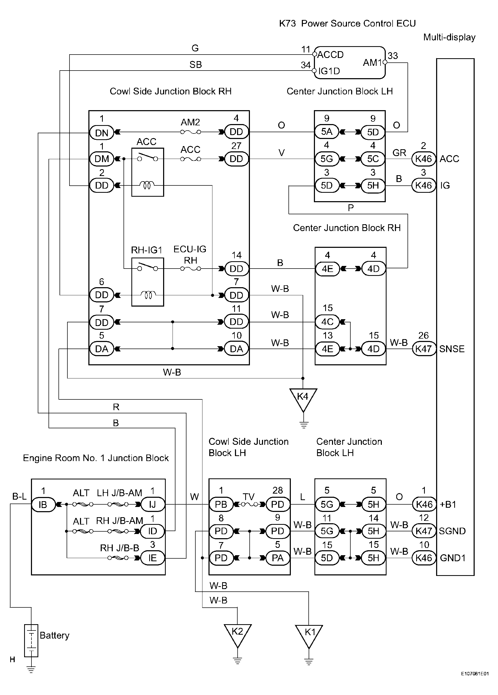
Fig 1: Navigation ECU Power Source Circuit - Wiring Diagram (1 Of 2)
G04022804Courtesy of © TOYOTA, LICENSE AGREEMENT TMS1002
Fig 2: Navigation ECU Power Source Circuit - Wiring Diagram (2 Of 2)
G04022805Courtesy of © TOYOTA, LICENSE AGREEMENT TMS1002
  1. CHECK MULTI-DISPLAY POWER SOURCE CIRCUIT 

    Refer to MULTI-DISPLAY POWER SOURCE CIRCUIT  .

    If the power source circuit is operating normally, proceed to the next step.

    NEXT 

  2. CHECK MULTI-DISPLAY 
    1. Measure the voltage of the connector.

      Standard voltage 

      TESTER CONNECTION AND SPECIFIED CONDITION CHART

      Tester Connection Condition Specified Condition
      h1-31 (+B) - Body ground Always 10 to 14 V
      h1-14 (ADET) - Body ground Engine switch on (ACC) 10 to 14 V
    2. Measure the resistance of the connector.

      Standard resistance 

      TESTER CONNECTION AND SPECIFIED CONDITION CHART

      Tester Connection Condition Specified Condition
      h1-2 (GND) - Body ground Always Below 1 Ω

    NG : REPLACE MULTI-DISPLAY 

    Fig 3: Identifying Multi-Display
    G04022806Courtesy of © TOYOTA, LICENSE AGREEMENT TMS1002

    OK : REPLACE NAVIGATION ECU