LEMON Manuals: Even more car manuals for everyone: 1960-2025
Home >> Lexus >> 2006 >> LS 430 >> Repair and Diagnosis >> Electrical >> Body Electrical >> OEM System Circuits >> Headlight >> Notes
April 5, 2026: LEMON Manuals is launched! Read the announcement.

OEM System Circuits: Headlight: Notes

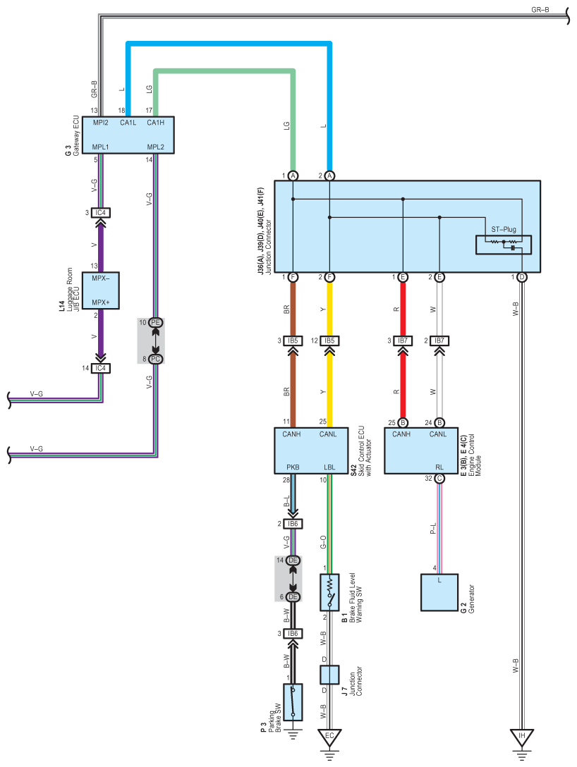
Fig 1: Headlight System Wiring Diagram (1 Of 3)
G08913742Courtesy of © TOYOTA, LICENSE AGREEMENT TMS1002
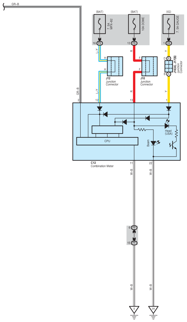
Fig 2: Headlight System Wiring Diagram (2 Of 3)
G08913743Courtesy of © TOYOTA, LICENSE AGREEMENT TMS1002
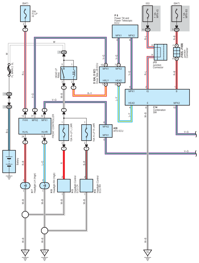
Fig 3: Headlight System Wiring Diagram (3 Of 3)
G08913744Courtesy of © TOYOTA, LICENSE AGREEMENT TMS1002