LEMON Manuals: Even more car manuals for everyone: 1960-2025
Home >> Lexus >> 2006 >> LX 470 >> Repair and Diagnosis >> Electrical >> Body Electrical >> OEM System Circuits >> Audio System without Navigation System >> Notes
April 5, 2026: LEMON Manuals is launched! Read the announcement.

Audio System without Navigation System: Notes

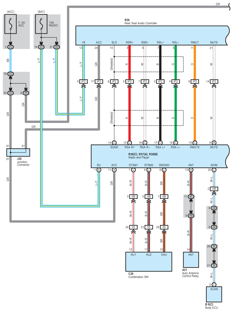
Fig 1: Audio System Without Navigation System - Wiring Diagram (1 Of 3)
G08928262Courtesy of © TOYOTA, LICENSE AGREEMENT TMS1002
Fig 2: Audio System Without Navigation System - Wiring Diagram (2 Of 3)
G08928263Courtesy of © TOYOTA, LICENSE AGREEMENT TMS1002
Fig 3: Audio System Without Navigation System - Wiring Diagram (3 Of 3)
G08928264Courtesy of © TOYOTA, LICENSE AGREEMENT TMS1002