LEMON Manuals: Even more car manuals for everyone: 1960-2025
Home >> Lexus >> 2006 >> LX 470 >> Repair and Diagnosis >> Electrical >> Body Electrical >> OEM System Circuits >> Cruise Control >> Notes
April 5, 2026: LEMON Manuals is launched! Read the announcement.

Cruise Control: Notes

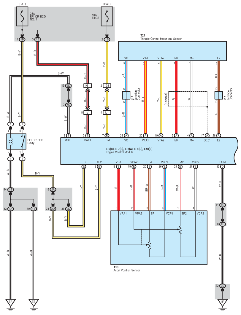
Fig 1: Cruise Control - Wiring Diagram (1 Of 3)
G08928164Courtesy of © TOYOTA, LICENSE AGREEMENT TMS1002
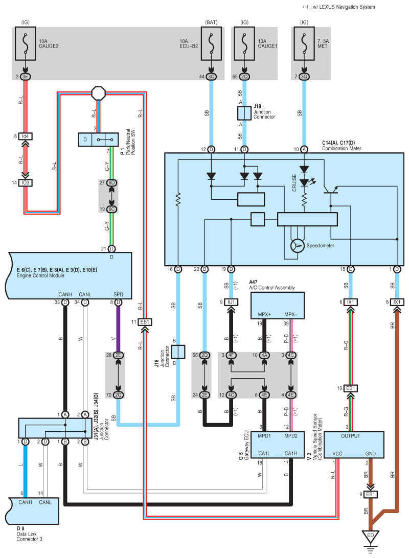
Fig 2: Cruise Control - Wiring Diagram (2 Of 3)
G08928165Courtesy of © TOYOTA, LICENSE AGREEMENT TMS1002
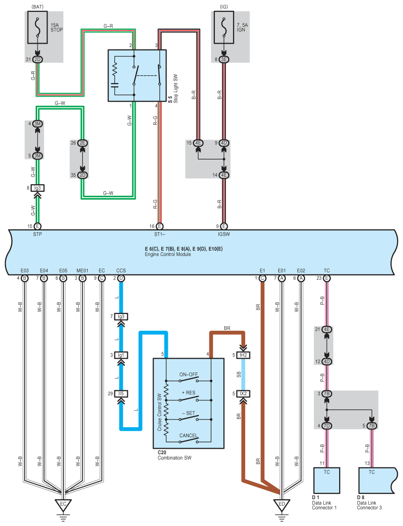
Fig 3: Cruise Control - Wiring Diagram (3 Of 3)
G08928166Courtesy of © TOYOTA, LICENSE AGREEMENT TMS1002