LEMON Manuals: Even more car manuals for everyone: 1960-2025
Home >> Lexus >> 2006 >> RX 330 FWD >> Repair and Diagnosis (Single Page) >> Electrical >> Body Electrical >> OEM System Circuits >> Multi Display without LEXUS Navigation System >> Notes
April 5, 2026: LEMON Manuals is launched! Read the announcement.

Multi Display without LEXUS Navigation System: Notes

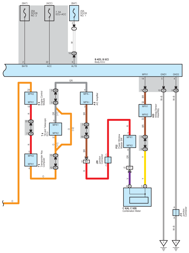
Fig 1: Multi Display Without LEXUS Navigation System - Wiring Diagram (1 Of 2)
G08929147Courtesy of © TOYOTA, LICENSE AGREEMENT TMS1002
Fig 2: Multi Display Without LEXUS Navigation System - Wiring Diagram (2 Of 2)
G08929148Courtesy of © TOYOTA, LICENSE AGREEMENT TMS1002