LEMON Manuals: Even more car manuals for everyone: 1960-2025
Home >> Lexus >> 2006 >> RX 400h AWD >> Repair and Diagnosis >> Electrical >> Body Electrical >> OEM System Circuits >> Automatic Light Control >> Notes
April 5, 2026: LEMON Manuals is launched! Read the announcement.

Automatic Light Control: Notes

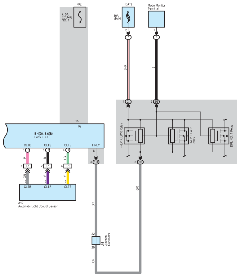
Fig 1: Automatic Light Control Wiring Diagram (1 Of 2)
G08914802Courtesy of © TOYOTA, LICENSE AGREEMENT TMS1002
Fig 2: Automatic Light Control Wiring Diagram (1 Of 2)
G08914803Courtesy of © TOYOTA, LICENSE AGREEMENT TMS1002