LEMON Manuals: Even more car manuals for everyone: 1960-2025
Home >> Lexus >> 2006 >> RX 400h AWD >> Repair and Diagnosis >> Electrical >> Body Electrical >> OEM System Circuits >> Power Source >> Notes
April 5, 2026: LEMON Manuals is launched! Read the announcement.

Power Source: Notes

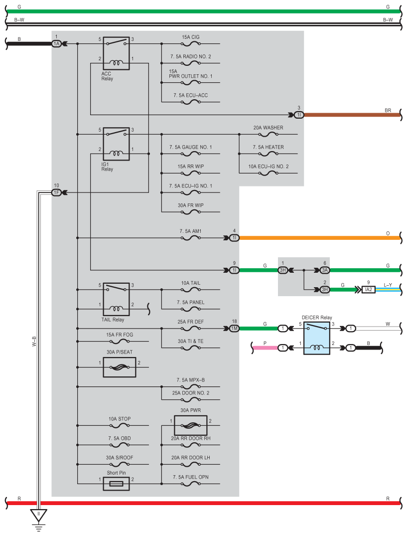
Fig 1: Power Source Wiring Diagram (1 Of 4)
G08914652Courtesy of © TOYOTA, LICENSE AGREEMENT TMS1002
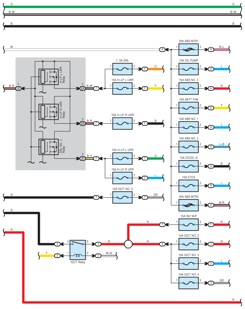
Fig 2: Power Source Wiring Diagram (2 Of 4)
G08914653Courtesy of © TOYOTA, LICENSE AGREEMENT TMS1002
Fig 3: Power Source Wiring Diagram (3 Of 4)
G08914654Courtesy of © TOYOTA, LICENSE AGREEMENT TMS1002
Fig 4: Power Source Wiring Diagram (4 Of 4)
G08914655Courtesy of © TOYOTA, LICENSE AGREEMENT TMS1002