LEMON Manuals: Even more car manuals for everyone: 1960-2025
Home >> Lexus >> 2006 >> SC 430 >> Repair and Diagnosis >> Engine Performance >> Tune-Up >> Ignition >> Ignition System >> System Diagram
April 5, 2026: LEMON Manuals is launched! Read the announcement.

System Diagram

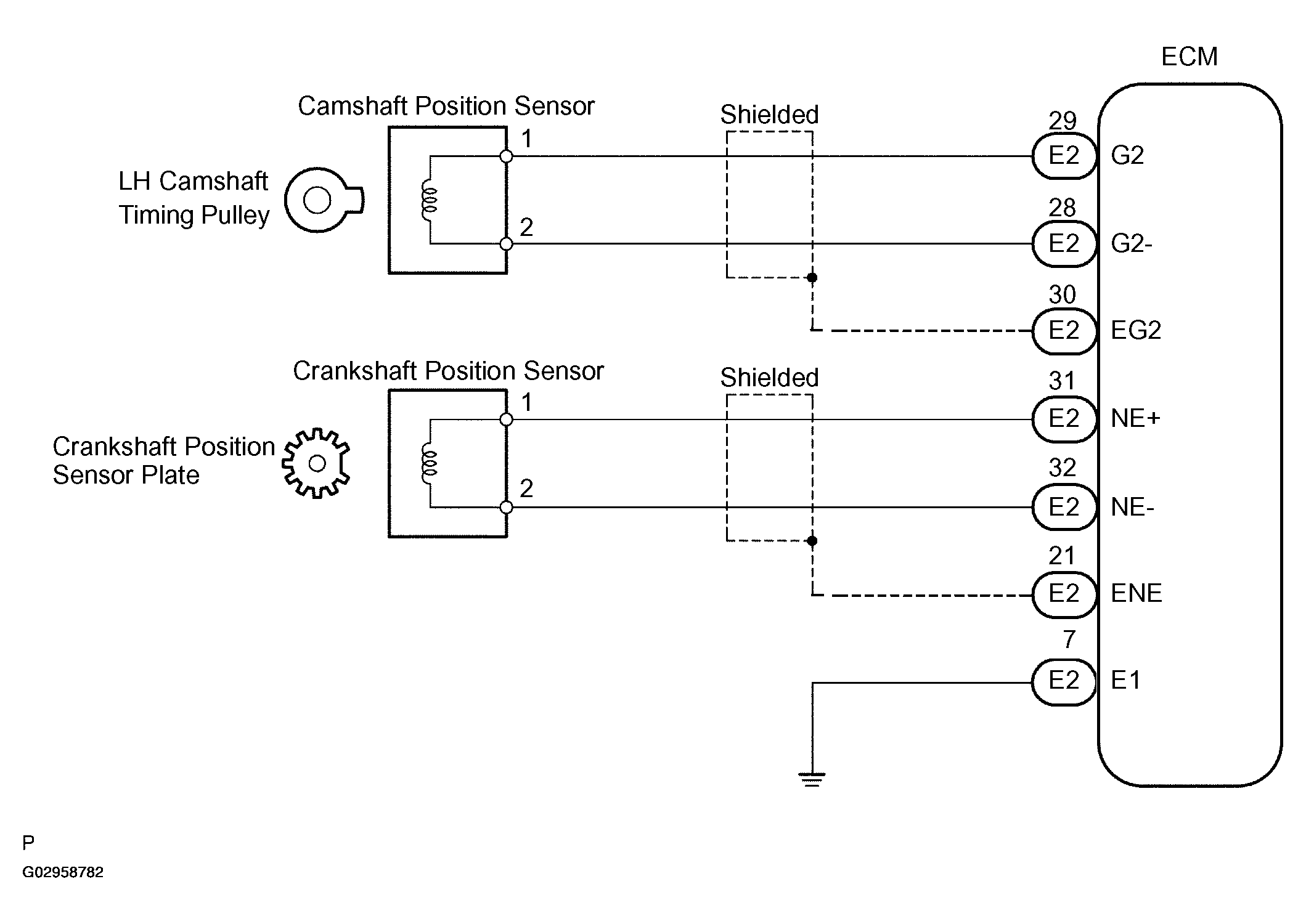
The ECM determines ignition timing based on signals from various sensors.

Fig 1: Ignition System - Circuit Diagram (1 Of 2)
G02958781Courtesy of © TOYOTA, LICENSE AGREEMENT TMS1002
Fig 2: Ignition System - Circuit Diagram (2 Of 2)
G02958782Courtesy of © TOYOTA, LICENSE AGREEMENT TMS1002