LEMON Manuals: Even more car manuals for everyone: 1960-2025
Home >> Lexus >> 2007 >> ES 350 >> Repair and Diagnosis >> Electrical >> Body Electrical >> OEM System Circuits >> Headlight Beam Level Control without Adaptive Front-Lighting System >> Notes
April 5, 2026: LEMON Manuals is launched! Read the announcement.

Headlight Beam Level Control without Adaptive Front-Lighting System: Notes

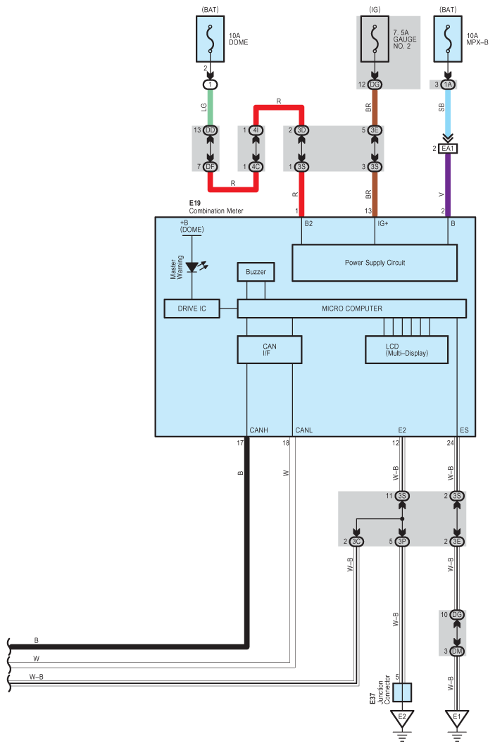
Fig 1: Headlight Beam Level Control Without Adaptive Front-Lighting System Wiring Diagram (1 Of 4)
G08916820Courtesy of © TOYOTA, LICENSE AGREEMENT TMS1002
Fig 2: Headlight Beam Level Control Without Adaptive Front-Lighting System Wiring Diagram (2 Of 4)
G08916821Courtesy of © TOYOTA, LICENSE AGREEMENT TMS1002
Fig 3: Headlight Beam Level Control Without Adaptive Front-Lighting System Wiring Diagram (3 Of 4)
G08916822Courtesy of © TOYOTA, LICENSE AGREEMENT TMS1002
Fig 4: Headlight Beam Level Control Without Adaptive Front-Lighting System Wiring Diagram (4 Of 4)
G08916823Courtesy of © TOYOTA, LICENSE AGREEMENT TMS1002