LEMON Manuals: Even more car manuals for everyone: 1960-2025
Home >> Lexus >> 2007 >> ES 350 >> Repair and Diagnosis >> Electrical >> Starter >> Starting >> Starting System >> System Diagram
April 5, 2026: LEMON Manuals is launched! Read the announcement.

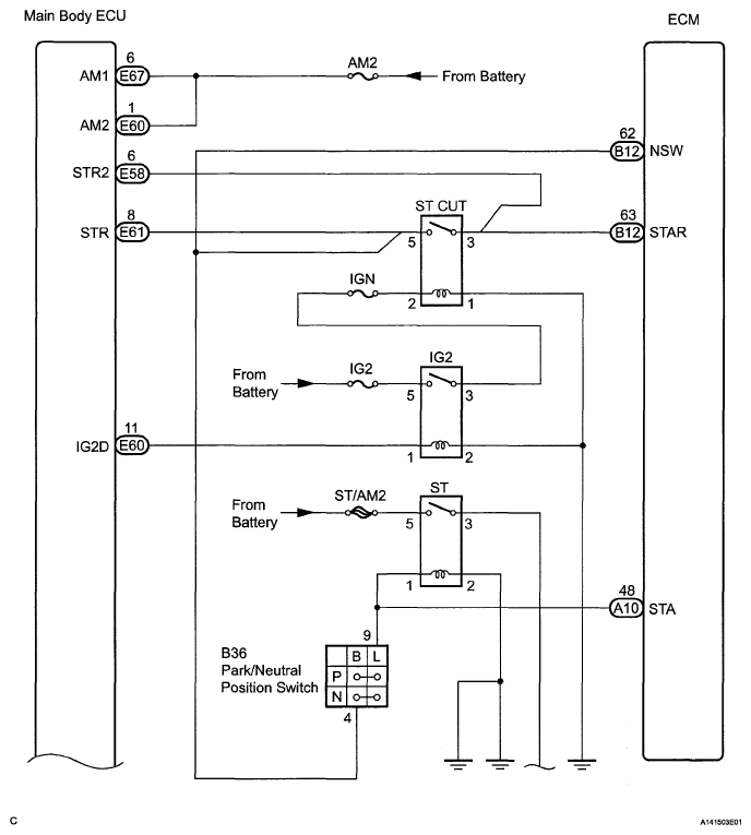
System Diagram

Fig 1: Starting System Diagram (1 Of 2)
G05248797Courtesy of © TOYOTA, LICENSE AGREEMENT TMS1002
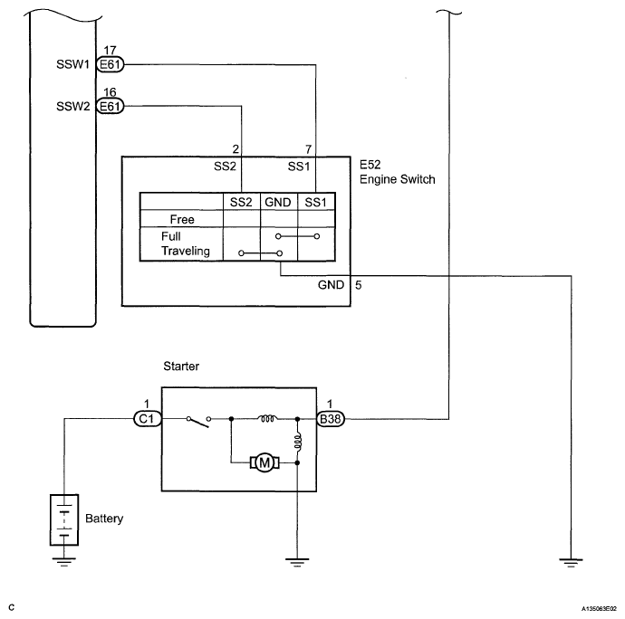
Fig 2: Starting System Diagram (2 Of 2)
G05248798Courtesy of © TOYOTA, LICENSE AGREEMENT TMS1002