LEMON Manuals: Even more car manuals for everyone: 1960-2025
Home >> Lexus >> 2007 >> ES 350 >> Repair and Diagnosis >> Engine Performance >> Tune-Up >> Ignition >> Ignition System >> System Diagram
April 5, 2026: LEMON Manuals is launched! Read the announcement.

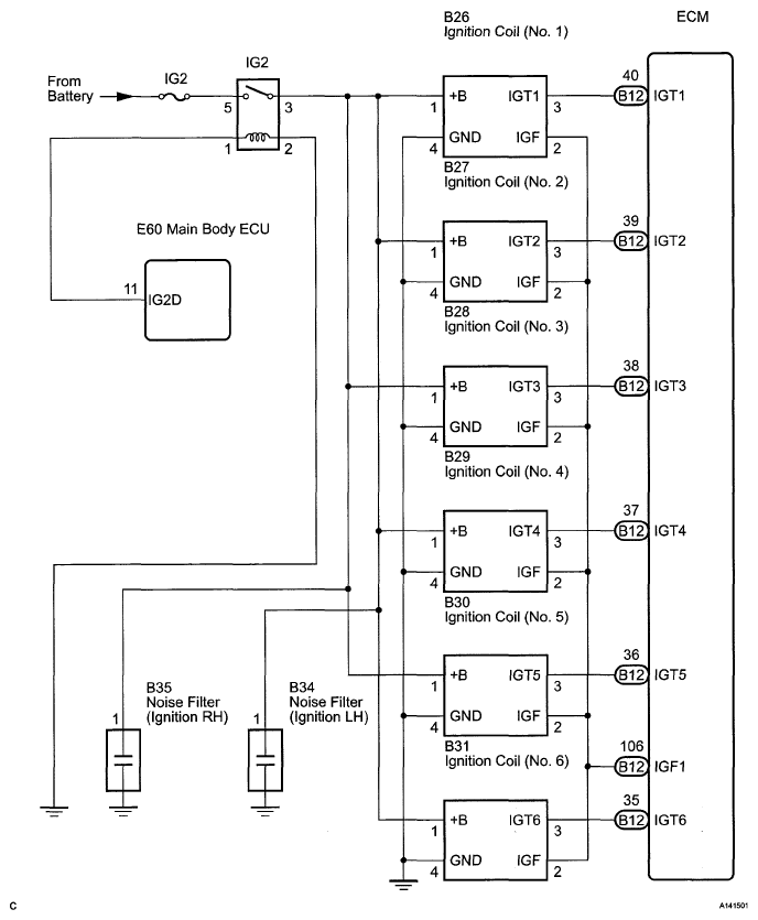
System Diagram

Fig 1: Ignition System Diagram
G05248777Courtesy of © TOYOTA, LICENSE AGREEMENT TMS1002