LEMON Manuals: Even more car manuals for everyone: 1960-2025
Home >> Lexus >> 2007 >> GS 430 >> Repair and Diagnosis >> Brakes >> Traction Control >> Brake Control >> Vehicle Stability Control System >> Wiring Diagram >> Notes
April 5, 2026: LEMON Manuals is launched! Read the announcement.

Vehicle Stability Control System: Wiring Diagram: Notes

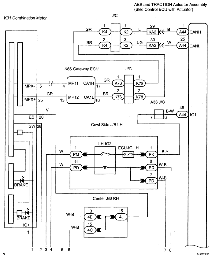
Fig 1: Brake Warning Light - Wiring Diagram (1 Of 2)
G05296960Courtesy of © TOYOTA, LICENSE AGREEMENT TMS1002
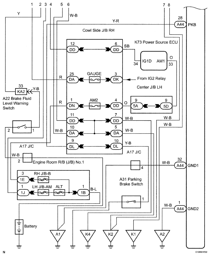
Fig 2: Brake Warning Light - Wiring Diagram (2 Of 2)
G05296961Courtesy of © TOYOTA, LICENSE AGREEMENT TMS1002