LEMON Manuals: Even more car manuals for everyone: 1960-2025
Home >> Lexus >> 2007 >> GS 430 >> Repair and Diagnosis >> Electrical >> Body Electrical >> OEM System Circuits >> Electronic Modulated Suspension >> Notes
April 5, 2026: LEMON Manuals is launched! Read the announcement.

Electronic Modulated Suspension: Notes

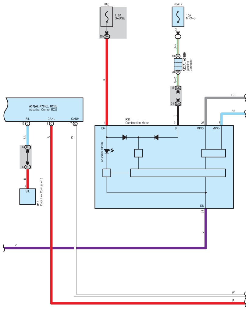
Fig 1: Electronic Modulated Suspension System Wiring Diagram (1 Of 8)
G08915870Courtesy of © TOYOTA, LICENSE AGREEMENT TMS1002
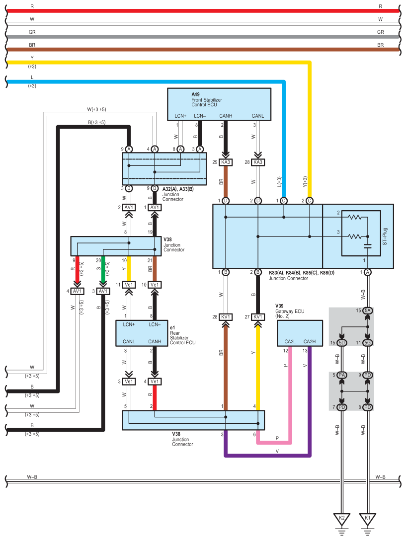
Fig 2: Electronic Modulated Suspension System Wiring Diagram (2 Of 8)
G08915871Courtesy of © TOYOTA, LICENSE AGREEMENT TMS1002
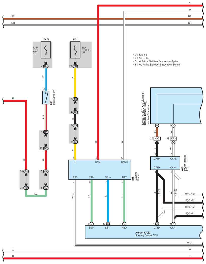
Fig 3: Electronic Modulated Suspension System Wiring Diagram (3 Of 8)
G08915872Courtesy of © TOYOTA, LICENSE AGREEMENT TMS1002
Fig 4: Electronic Modulated Suspension System Wiring Diagram (4 Of 8)
G08915873Courtesy of © TOYOTA, LICENSE AGREEMENT TMS1002
Fig 5: Electronic Modulated Suspension System Wiring Diagram (5 Of 8)
G08915874Courtesy of © TOYOTA, LICENSE AGREEMENT TMS1002
Fig 6: Electronic Modulated Suspension System Wiring Diagram (6 Of 8)
G08915875Courtesy of © TOYOTA, LICENSE AGREEMENT TMS1002
Fig 7: Electronic Modulated Suspension System Wiring Diagram (7 Of 8)
G08915876Courtesy of © TOYOTA, LICENSE AGREEMENT TMS1002
Fig 8: Electronic Modulated Suspension System Wiring Diagram (8 Of 8)
G08915877Courtesy of © TOYOTA, LICENSE AGREEMENT TMS1002