LEMON Manuals: Even more car manuals for everyone: 1960-2025
Home >> Lexus >> 2007 >> GS 430 >> Repair and Diagnosis >> Electrical >> Body Electrical >> OEM System Circuits >> Engine Control for 2GR-FSE >> Notes
April 5, 2026: LEMON Manuals is launched! Read the announcement.

Engine Control for 2GR-FSE: Notes

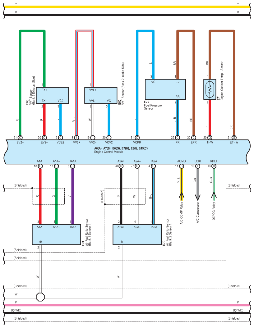
Fig 1: Engine Control For 2GR-FSE System Wiring Diagram (1 Of 15)
G08915601Courtesy of © TOYOTA, LICENSE AGREEMENT TMS1002
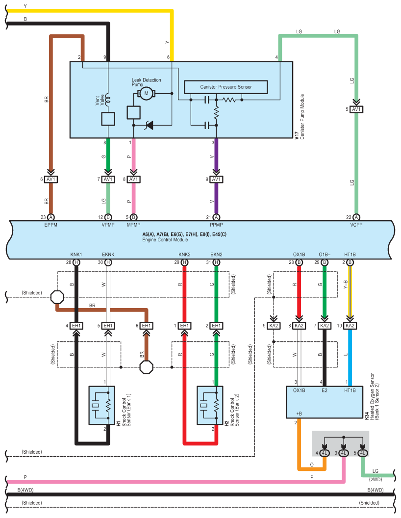
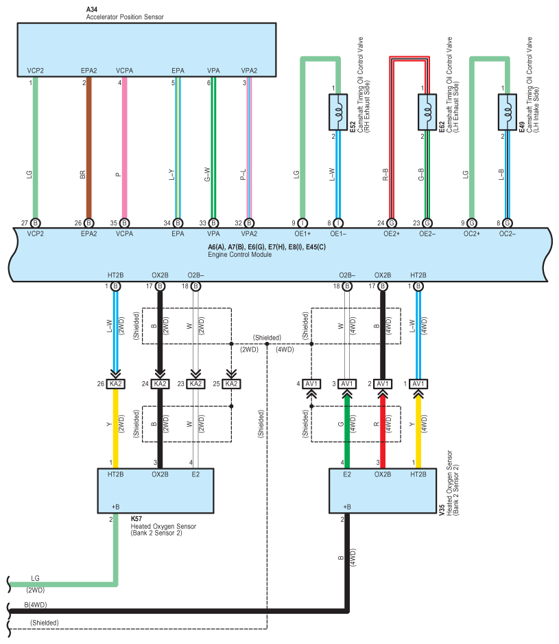
Fig 2: Engine Control For 2GR-FSE System Wiring Diagram (2 Of 15)
G08915602Courtesy of © TOYOTA, LICENSE AGREEMENT TMS1002
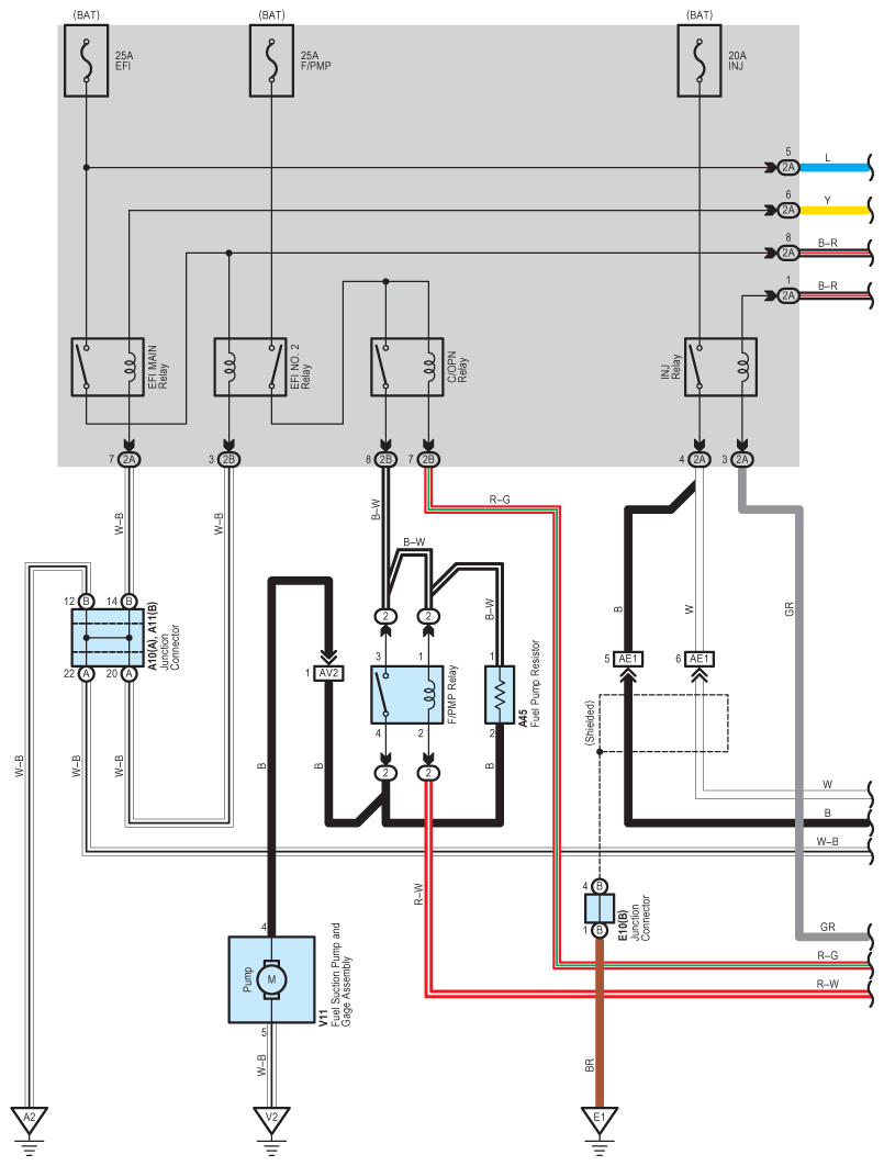
Fig 3: Engine Control For 2GR-FSE System Wiring Diagram (3 Of 15)
G08915603Courtesy of © TOYOTA, LICENSE AGREEMENT TMS1002
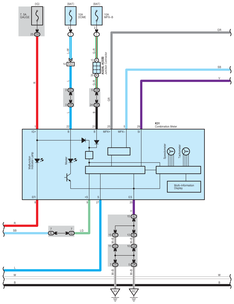
Fig 4: Engine Control For 2GR-FSE System Wiring Diagram (4 Of 15)
G08915604Courtesy of © TOYOTA, LICENSE AGREEMENT TMS1002
Fig 5: Engine Control For 2GR-FSE System Wiring Diagram (5 Of 15)
G08915605Courtesy of © TOYOTA, LICENSE AGREEMENT TMS1002
Fig 6: Engine Control For 2GR-FSE System Wiring Diagram (6 Of 15)
G08915606Courtesy of © TOYOTA, LICENSE AGREEMENT TMS1002
Fig 7: Engine Control For 2GR-FSE System Wiring Diagram (7 Of 15)
G08915607Courtesy of © TOYOTA, LICENSE AGREEMENT TMS1002
Fig 8: Engine Control For 2GR-FSE System Wiring Diagram (8 Of 15)
G08915608Courtesy of © TOYOTA, LICENSE AGREEMENT TMS1002
Fig 9: Engine Control For 2GR-FSE System Wiring Diagram (9 Of 15)
G08915609Courtesy of © TOYOTA, LICENSE AGREEMENT TMS1002
Fig 10: Engine Control For 2GR-FSE System Wiring Diagram (10 Of 15)
G08915610Courtesy of © TOYOTA, LICENSE AGREEMENT TMS1002
Fig 11: Engine Control For 2GR-FSE System Wiring Diagram (11 Of 15)
G08915611Courtesy of © TOYOTA, LICENSE AGREEMENT TMS1002
Fig 12: Engine Control For 2GR-FSE System Wiring Diagram (12 Of 15)
G08915612Courtesy of © TOYOTA, LICENSE AGREEMENT TMS1002
Fig 13: Engine Control For 2GR-FSE System Wiring Diagram (13 Of 15)
G08915613Courtesy of © TOYOTA, LICENSE AGREEMENT TMS1002
Fig 14: Engine Control For 2GR-FSE System Wiring Diagram (14 Of 15)
G08915614Courtesy of © TOYOTA, LICENSE AGREEMENT TMS1002
Fig 15: Engine Control For 2GR-FSE System Wiring Diagram (15 Of 15)
G08915615Courtesy of © TOYOTA, LICENSE AGREEMENT TMS1002