LEMON Manuals: Even more car manuals for everyone: 1960-2025
Home >> Lexus >> 2007 >> GS 430 >> Repair and Diagnosis >> Electrical >> Body Electrical >> OEM System Circuits >> Engine Control for 3UZ-FE >> Notes
April 5, 2026: LEMON Manuals is launched! Read the announcement.

Engine Control for 3UZ-FE: Notes

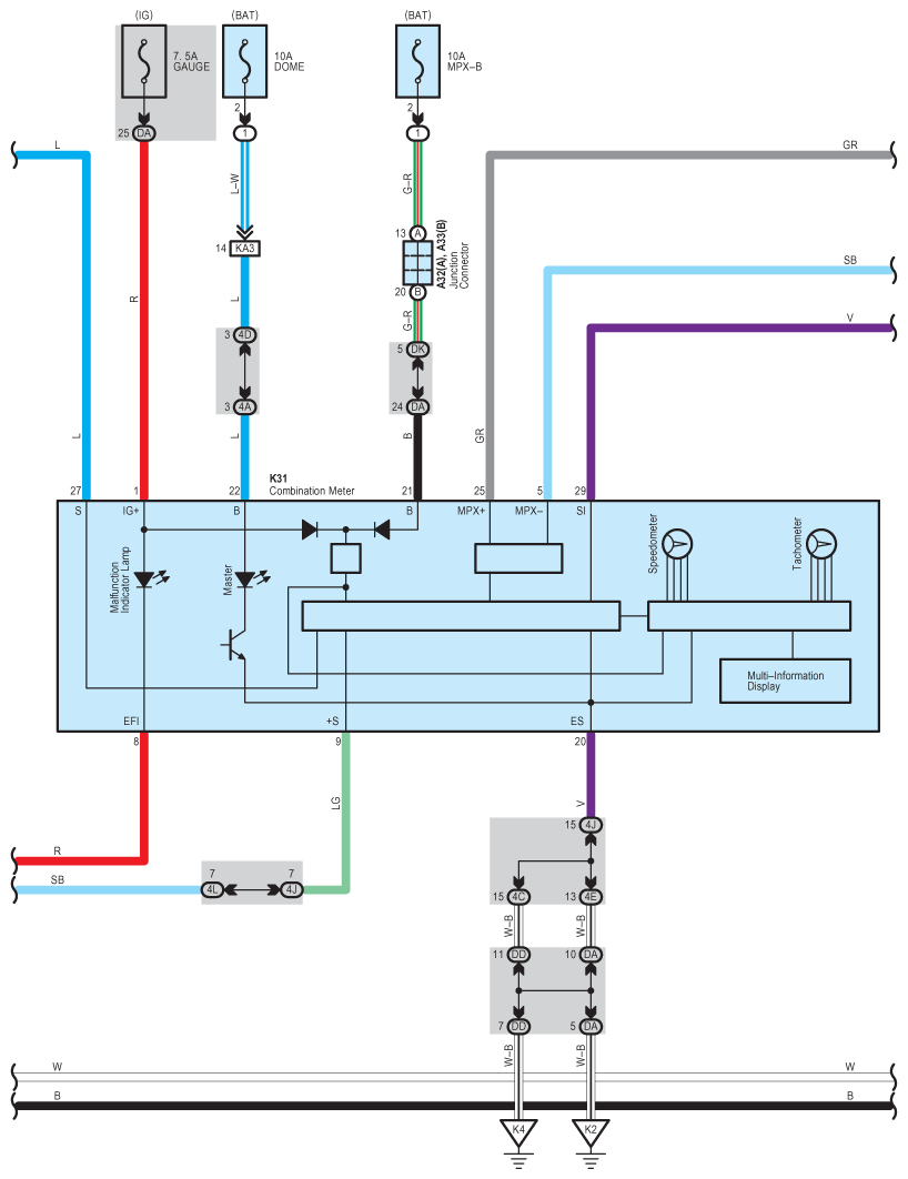
Fig 1: Engine Control For 3UZ-FE System Wiring Diagram (1 Of 12)
G08915589Courtesy of © TOYOTA, LICENSE AGREEMENT TMS1002
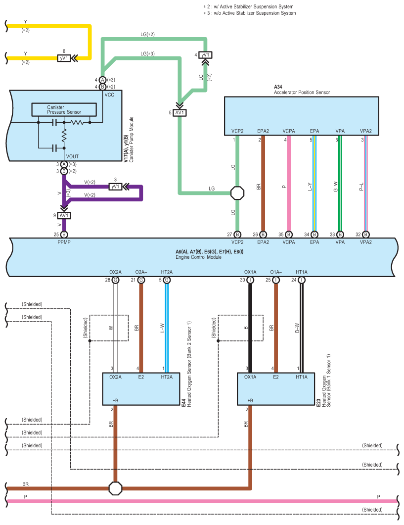
Fig 2: Engine Control For 3UZ-FE System Wiring Diagram (2 Of 12)
G08915590Courtesy of © TOYOTA, LICENSE AGREEMENT TMS1002
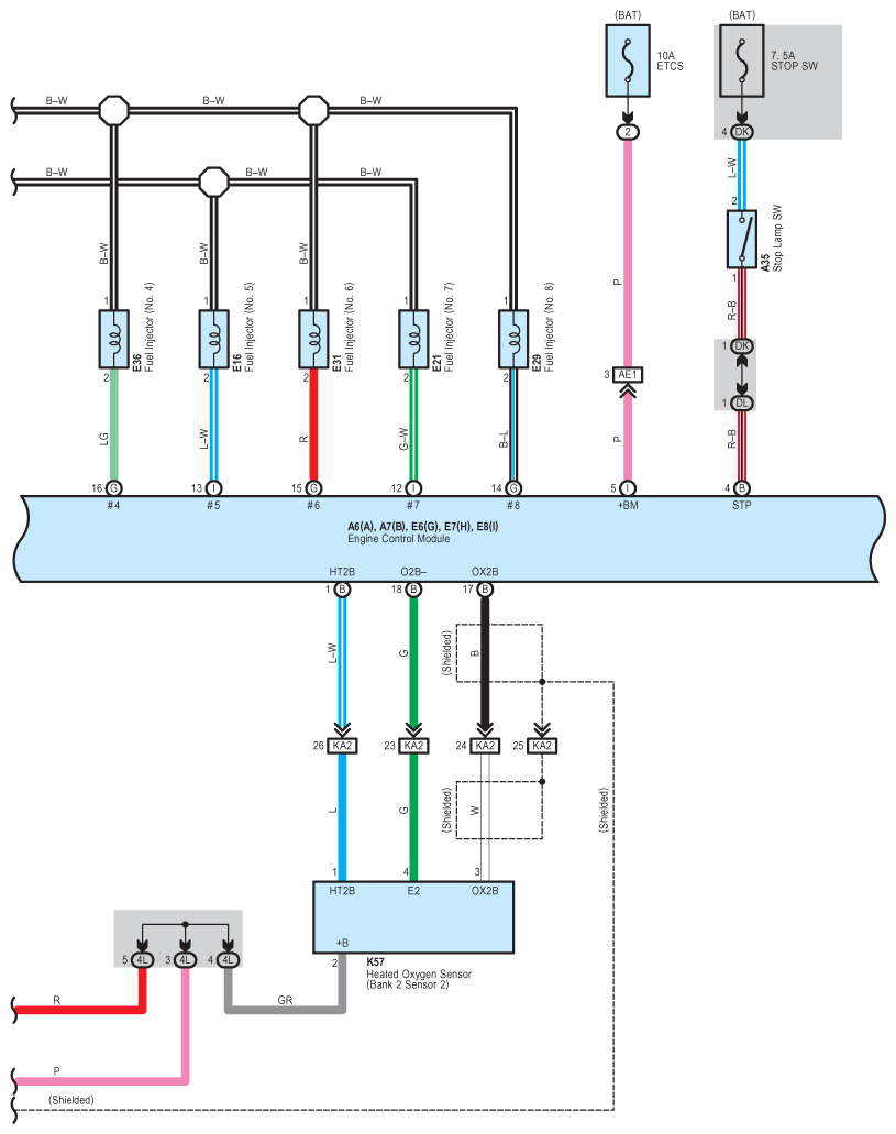
Fig 3: Engine Control For 3UZ-FE System Wiring Diagram (3 Of 12)
G08915591Courtesy of © TOYOTA, LICENSE AGREEMENT TMS1002
Fig 4: Engine Control For 3UZ-FE System Wiring Diagram (4 Of 12)
G08915592Courtesy of © TOYOTA, LICENSE AGREEMENT TMS1002
Fig 5: Engine Control For 3UZ-FE System Wiring Diagram (5 Of 12)
G08915593Courtesy of © TOYOTA, LICENSE AGREEMENT TMS1002
Fig 6: Engine Control For 3UZ-FE System Wiring Diagram (6 Of 12)
G08915594Courtesy of © TOYOTA, LICENSE AGREEMENT TMS1002
Fig 7: Engine Control For 3UZ-FE System Wiring Diagram (7 Of 12)
G08915595Courtesy of © TOYOTA, LICENSE AGREEMENT TMS1002
Fig 8: Engine Control For 3UZ-FE System Wiring Diagram (8 Of 12)
G08915596Courtesy of © TOYOTA, LICENSE AGREEMENT TMS1002
Fig 9: Engine Control For 3UZ-FE System Wiring Diagram (9 Of 12)
G08915597Courtesy of © TOYOTA, LICENSE AGREEMENT TMS1002
Fig 10: Engine Control For 3UZ-FE System Wiring Diagram (10 Of 12)
G08915598Courtesy of © TOYOTA, LICENSE AGREEMENT TMS1002
Fig 11: Engine Control For 3UZ-FE System Wiring Diagram (11 Of 12)
G08915599Courtesy of © TOYOTA, LICENSE AGREEMENT TMS1002
Fig 12: Engine Control For 3UZ-FE System Wiring Diagram (12 Of 12)
G08915600Courtesy of © TOYOTA, LICENSE AGREEMENT TMS1002