LEMON Manuals: Even more car manuals for everyone: 1960-2025
Home >> Lexus >> 2007 >> GS 430 >> Repair and Diagnosis >> Electrical >> Body Electrical >> OEM System Circuits >> Interior Light >> Notes
April 5, 2026: LEMON Manuals is launched! Read the announcement.

Interior Light: Notes

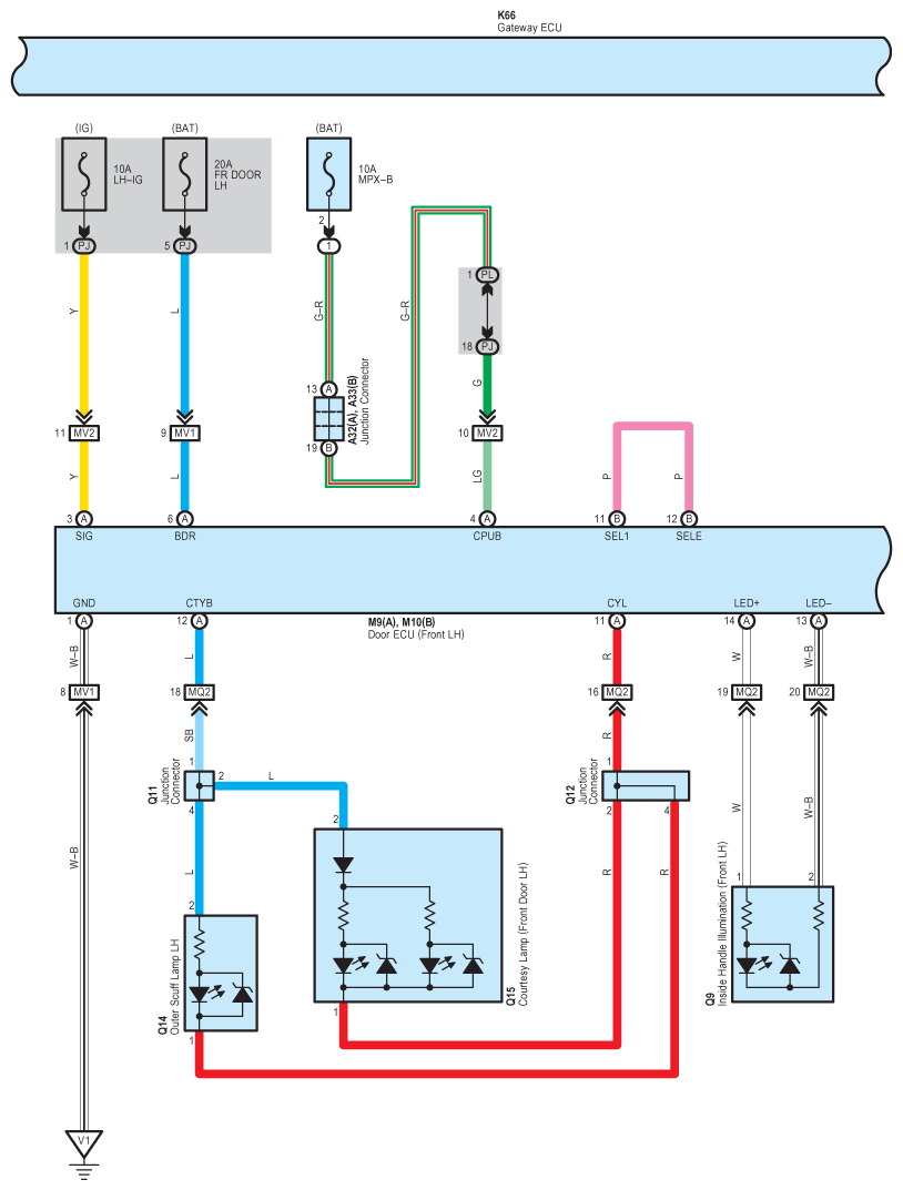
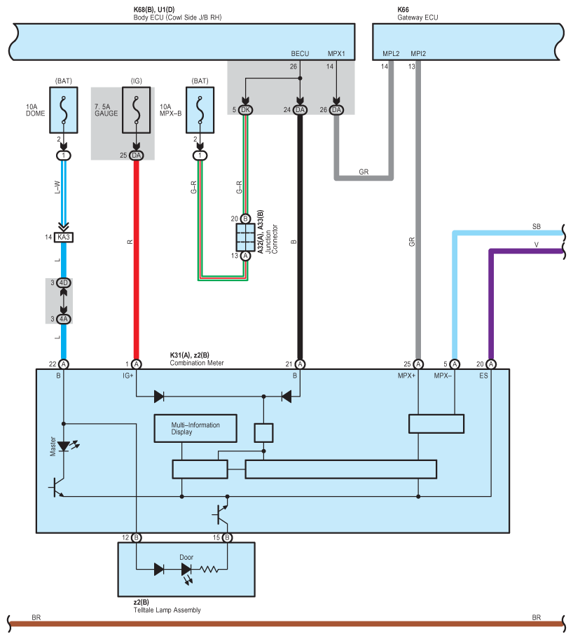
Fig 1: Interior Light System Wiring Diagram (1 Of 14)
G08915636Courtesy of © TOYOTA, LICENSE AGREEMENT TMS1002
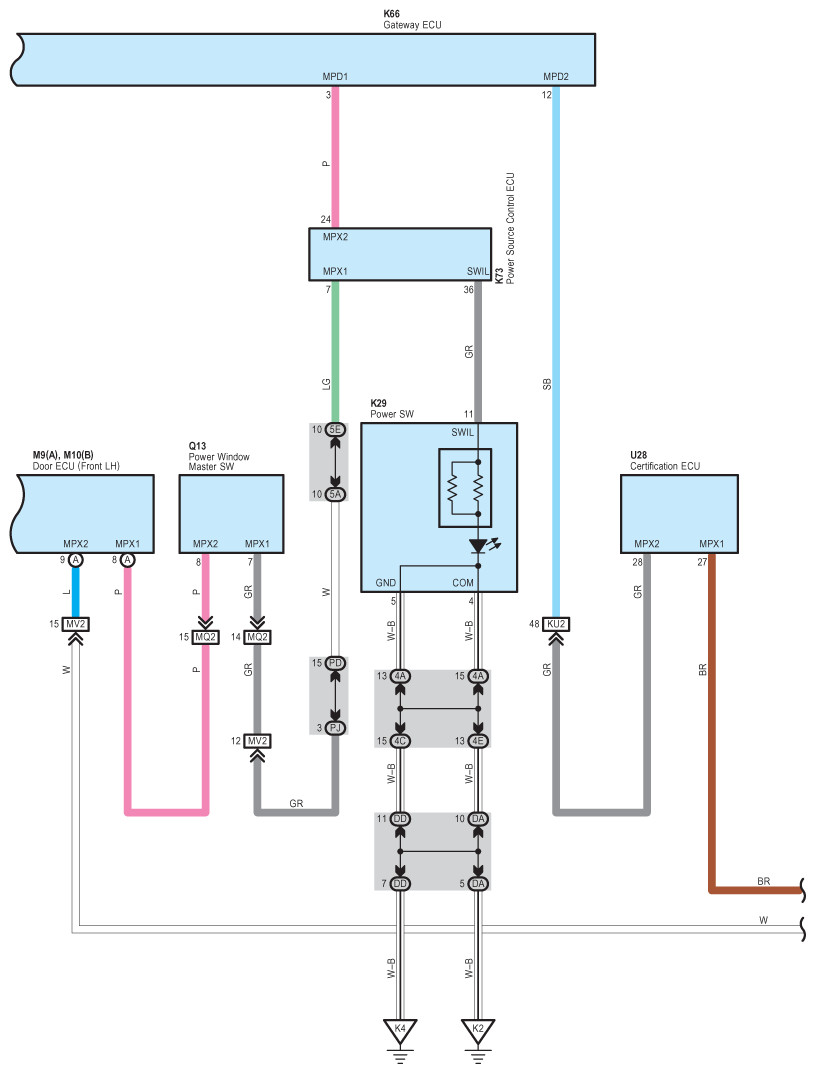
Fig 2: Interior Light System Wiring Diagram (2 Of 14)
G08915637Courtesy of © TOYOTA, LICENSE AGREEMENT TMS1002
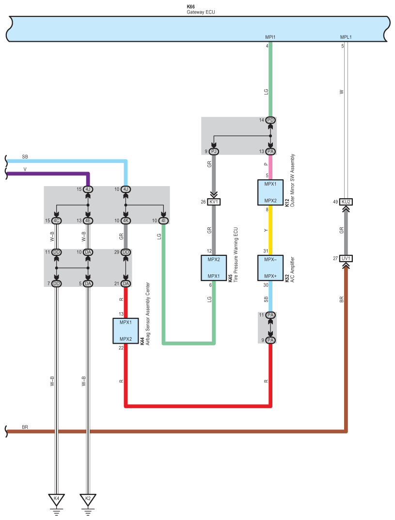
Fig 3: Interior Light System Wiring Diagram (3 Of 14)
G08915638Courtesy of © TOYOTA, LICENSE AGREEMENT TMS1002
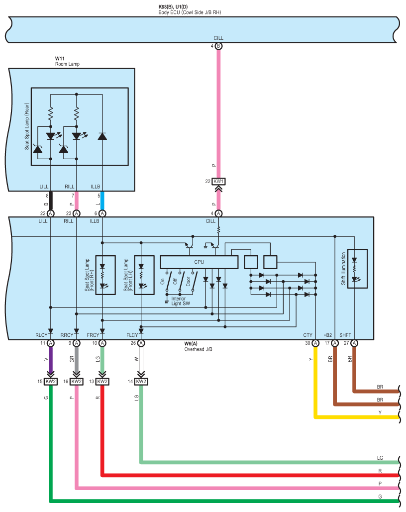
Fig 4: Interior Light System Wiring Diagram (4 Of 14)
G08915639Courtesy of © TOYOTA, LICENSE AGREEMENT TMS1002
Fig 5: Interior Light System Wiring Diagram (5 Of 14)
G08915640Courtesy of © TOYOTA, LICENSE AGREEMENT TMS1002
Fig 6: Interior Light System Wiring Diagram (6 Of 14)
G08915641Courtesy of © TOYOTA, LICENSE AGREEMENT TMS1002
Fig 7: Interior Light System Wiring Diagram (7 Of 14)
G08915642Courtesy of © TOYOTA, LICENSE AGREEMENT TMS1002
Fig 8: Interior Light System Wiring Diagram (8 Of 14)
G08915643Courtesy of © TOYOTA, LICENSE AGREEMENT TMS1002
Fig 9: Interior Light System Wiring Diagram (9 Of 14)
G08915644Courtesy of © TOYOTA, LICENSE AGREEMENT TMS1002
Fig 10: Interior Light System Wiring Diagram (10 Of 14)
G08915645Courtesy of © TOYOTA, LICENSE AGREEMENT TMS1002
Fig 11: Interior Light System Wiring Diagram (11 Of 14)
G08915646Courtesy of © TOYOTA, LICENSE AGREEMENT TMS1002
Fig 12: Interior Light System Wiring Diagram (12 Of 14)
G08915647Courtesy of © TOYOTA, LICENSE AGREEMENT TMS1002
Fig 13: Interior Light System Wiring Diagram (13 Of 14)
G08915648Courtesy of © TOYOTA, LICENSE AGREEMENT TMS1002
Fig 14: Interior Light System Wiring Diagram (14 Of 14)
G08915649Courtesy of © TOYOTA, LICENSE AGREEMENT TMS1002