LEMON Manuals: Even more car manuals for everyone: 1960-2025
Home >> Lexus >> 2007 >> GS 430 >> Repair and Diagnosis >> Electrical >> Body Electrical >> OEM System Circuits >> LEXUS Link System (Mayday System) >> Notes
April 5, 2026: LEMON Manuals is launched! Read the announcement.

LEXUS Link System (Mayday System): Notes

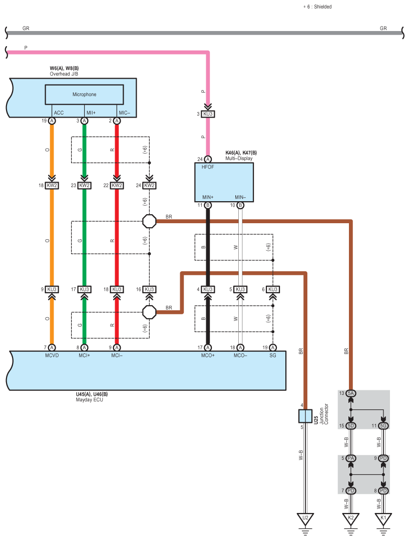
Fig 1: LEXUS Link System (Mayday System) System Wiring Diagram (1 Of 7)
G08915958Courtesy of © TOYOTA, LICENSE AGREEMENT TMS1002
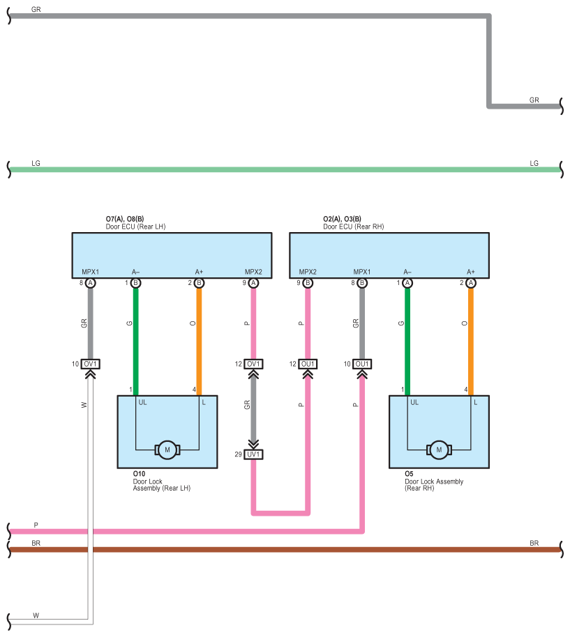
Fig 2: LEXUS Link System (Mayday System) System Wiring Diagram (2 Of 7)
G08915959Courtesy of © TOYOTA, LICENSE AGREEMENT TMS1002
Fig 3: LEXUS Link System (Mayday System) System Wiring Diagram (3 Of 7)
G08915960Courtesy of © TOYOTA, LICENSE AGREEMENT TMS1002
Fig 4: LEXUS Link System (Mayday System) System Wiring Diagram (4 Of 7)
G08915961Courtesy of © TOYOTA, LICENSE AGREEMENT TMS1002
Fig 5: LEXUS Link System (Mayday System) System Wiring Diagram (5 Of 7)
G08915962Courtesy of © TOYOTA, LICENSE AGREEMENT TMS1002
Fig 6: LEXUS Link System (Mayday System) System Wiring Diagram (6 Of 7)
G08915963Courtesy of © TOYOTA, LICENSE AGREEMENT TMS1002
Fig 7: LEXUS Link System (Mayday System) System Wiring Diagram (7 Of 7)
G08915964Courtesy of © TOYOTA, LICENSE AGREEMENT TMS1002