LEMON Manuals: Even more car manuals for everyone: 1960-2025
Home >> Lexus >> 2007 >> GS 430 >> Repair and Diagnosis >> Electrical >> Body Electrical >> OEM System Circuits >> Shift Lock >> Notes
April 5, 2026: LEMON Manuals is launched! Read the announcement.

Shift Lock: Notes

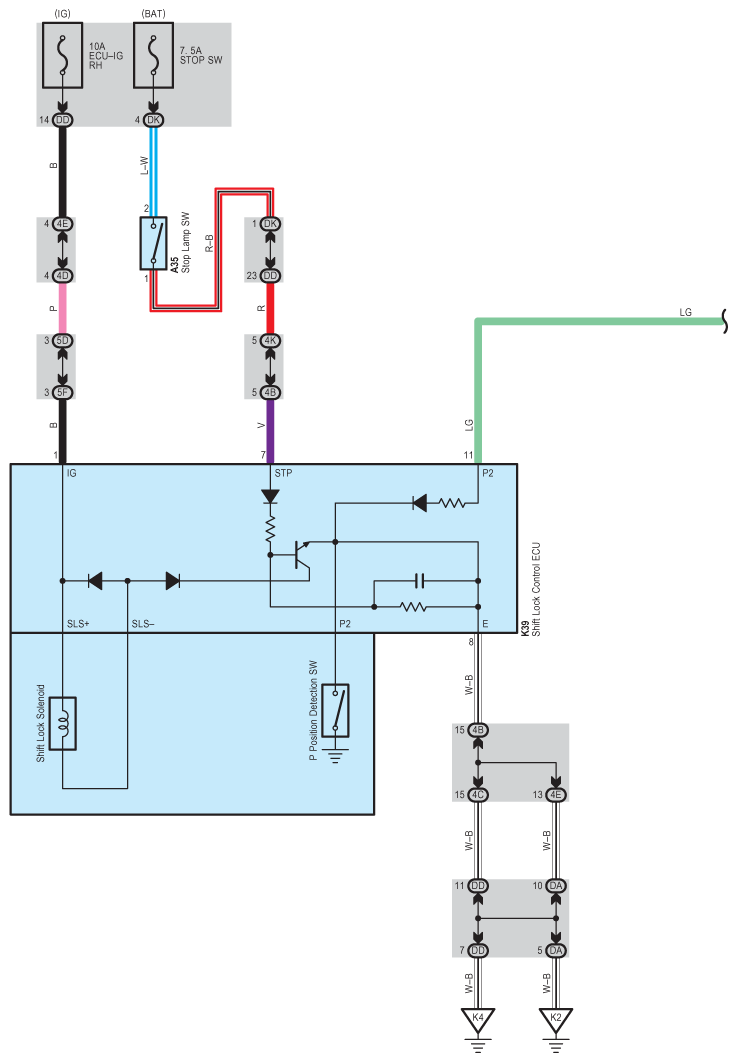
Fig 1: Shift Lock System Wiring Diagram (1 Of 3)
G08915892Courtesy of © TOYOTA, LICENSE AGREEMENT TMS1002
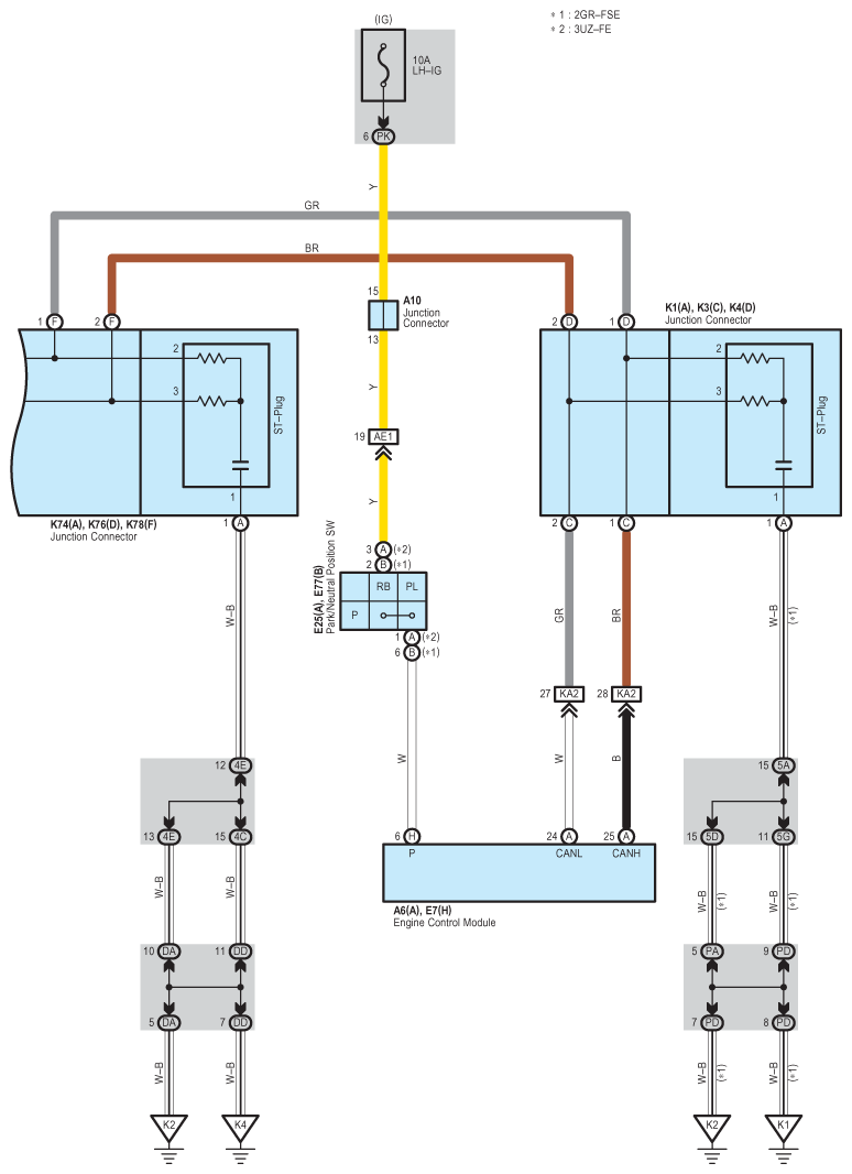
Fig 2: Shift Lock System Wiring Diagram (2 Of 3)
G08915893Courtesy of © TOYOTA, LICENSE AGREEMENT TMS1002
Fig 3: Shift Lock System Wiring Diagram (3 Of 3)
G08915894Courtesy of © TOYOTA, LICENSE AGREEMENT TMS1002