LEMON Manuals: Even more car manuals for everyone: 1960-2025
Home >> Lexus >> 2007 >> GS 450h >> Repair and Diagnosis >> Electrical >> Body Electrical >> OEM System Circuits >> Combination Meter >> Notes
April 5, 2026: LEMON Manuals is launched! Read the announcement.

Combination Meter: Notes

Fig 1: Combination Meter Wiring Diagram (1 Of 11)
G08919755Courtesy of © TOYOTA, LICENSE AGREEMENT TMS1002
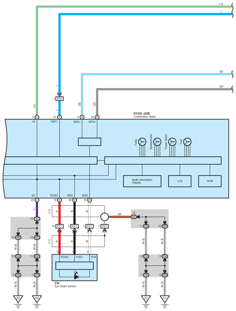
Fig 2: Combination Meter Wiring Diagram (2 Of 11)
G08919756Courtesy of © TOYOTA, LICENSE AGREEMENT TMS1002
Fig 3: Combination Meter Wiring Diagram (3 Of 11)
G08919757Courtesy of © TOYOTA, LICENSE AGREEMENT TMS1002
Fig 4: Combination Meter Wiring Diagram (4 Of 11)
G08919758Courtesy of © TOYOTA, LICENSE AGREEMENT TMS1002
Fig 5: Combination Meter Wiring Diagram (5 Of 11)
G08919759Courtesy of © TOYOTA, LICENSE AGREEMENT TMS1002
Fig 6: Combination Meter Wiring Diagram (6 Of 11)
G08919760Courtesy of © TOYOTA, LICENSE AGREEMENT TMS1002
Fig 7: Combination Meter Wiring Diagram (7 Of 11)
G08919761Courtesy of © TOYOTA, LICENSE AGREEMENT TMS1002
Fig 8: Combination Meter Wiring Diagram (8 Of 11)
G08919762Courtesy of © TOYOTA, LICENSE AGREEMENT TMS1002
Fig 9: Combination Meter Wiring Diagram (9 Of 11)
G08919763Courtesy of © TOYOTA, LICENSE AGREEMENT TMS1002
Fig 10: Combination Meter Wiring Diagram (10 Of 11)
G08919764Courtesy of © TOYOTA, LICENSE AGREEMENT TMS1002
Fig 11: Combination Meter Wiring Diagram (11 Of 11)
G08919765Courtesy of © TOYOTA, LICENSE AGREEMENT TMS1002