LEMON Manuals: Even more car manuals for everyone: 1960-2025
Home >> Lexus >> 2007 >> GS 450h >> Repair and Diagnosis >> Electrical >> Body Electrical >> OEM System Circuits >> Cruise Control >> Notes
April 5, 2026: LEMON Manuals is launched! Read the announcement.

Cruise Control: Notes

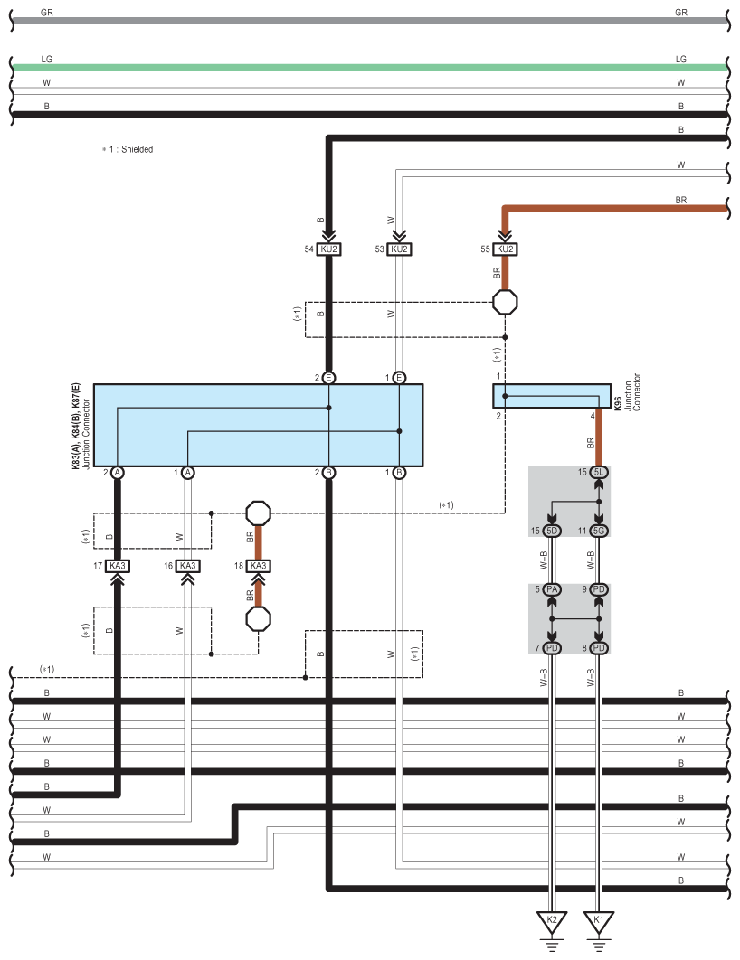
Fig 1: Cruise Control Wiring Diagram (1 Of 16)
G08919560Courtesy of © TOYOTA, LICENSE AGREEMENT TMS1002
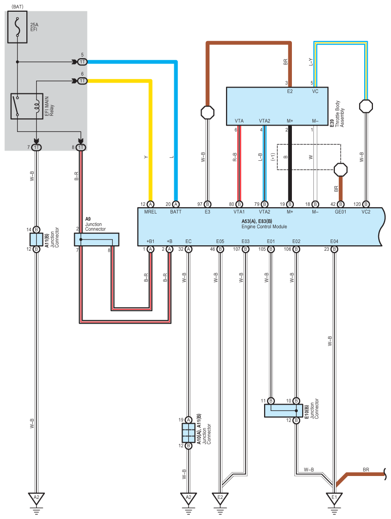
Fig 2: Cruise Control Wiring Diagram (2 Of 16)
G08919561Courtesy of © TOYOTA, LICENSE AGREEMENT TMS1002
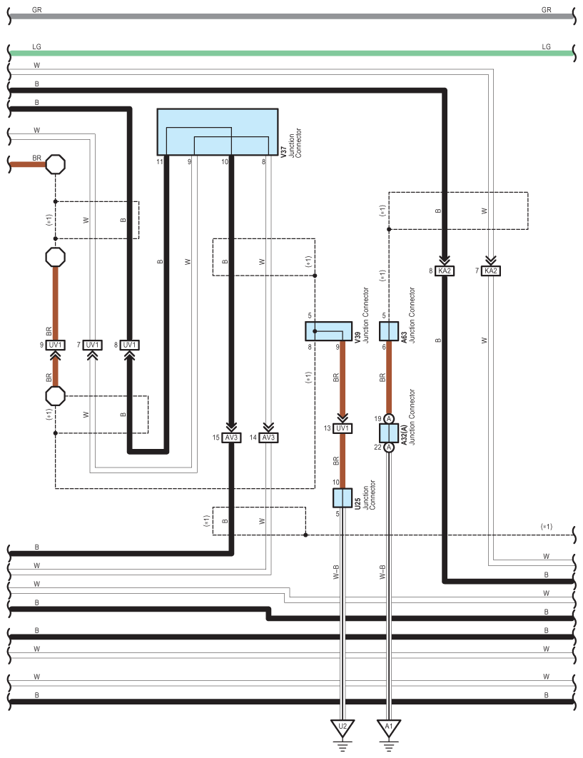
Fig 3: Cruise Control Wiring Diagram (3 Of 16)
G08919562Courtesy of © TOYOTA, LICENSE AGREEMENT TMS1002
Fig 4: Cruise Control Wiring Diagram (4 Of 16)
G08919563Courtesy of © TOYOTA, LICENSE AGREEMENT TMS1002
Fig 5: Cruise Control Wiring Diagram (5 Of 16)
G08919564Courtesy of © TOYOTA, LICENSE AGREEMENT TMS1002
Fig 6: Cruise Control Wiring Diagram (6 Of 16)
G08919565Courtesy of © TOYOTA, LICENSE AGREEMENT TMS1002
Fig 7: Cruise Control Wiring Diagram (7 Of 16)
G08919566Courtesy of © TOYOTA, LICENSE AGREEMENT TMS1002
Fig 8: Cruise Control Wiring Diagram (8 Of 16)
G08919567Courtesy of © TOYOTA, LICENSE AGREEMENT TMS1002
Fig 9: Cruise Control Wiring Diagram (9 Of 16)
G08919568Courtesy of © TOYOTA, LICENSE AGREEMENT TMS1002
Fig 10: Cruise Control Wiring Diagram (10 Of 16)
G08919569Courtesy of © TOYOTA, LICENSE AGREEMENT TMS1002
Fig 11: Cruise Control Wiring Diagram (11 Of 16)
G08919570Courtesy of © TOYOTA, LICENSE AGREEMENT TMS1002
Fig 12: Cruise Control Wiring Diagram (12 Of 16)
G08919571Courtesy of © TOYOTA, LICENSE AGREEMENT TMS1002
Fig 13: Cruise Control Wiring Diagram (13 Of 16)
G08919572Courtesy of © TOYOTA, LICENSE AGREEMENT TMS1002
Fig 14: Cruise Control Wiring Diagram (14 Of 16)
G08919573Courtesy of © TOYOTA, LICENSE AGREEMENT TMS1002
Fig 15: Cruise Control Wiring Diagram (15 Of 16)
G08919574Courtesy of © TOYOTA, LICENSE AGREEMENT TMS1002
Fig 16: Cruise Control Wiring Diagram (16 Of 16)
G08919575Courtesy of © TOYOTA, LICENSE AGREEMENT TMS1002