LEMON Manuals: Even more car manuals for everyone: 1960-2025
Home >> Lexus >> 2007 >> GS 450h >> Repair and Diagnosis >> Electrical >> Body Electrical >> OEM System Circuits >> Electronic Modulated Suspension >> Notes
April 5, 2026: LEMON Manuals is launched! Read the announcement.

Electronic Modulated Suspension: Notes

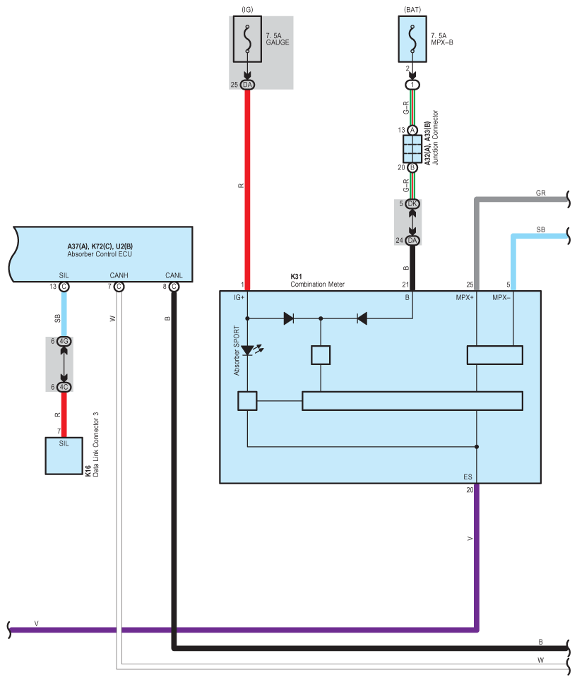
Fig 1: Electronic Modulated Suspension Wiring Diagram (1 Of 10)
G08919638Courtesy of © TOYOTA, LICENSE AGREEMENT TMS1002
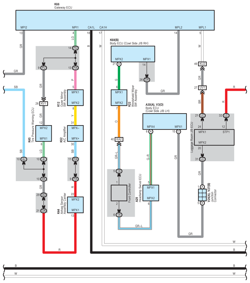
Fig 2: Electronic Modulated Suspension Wiring Diagram (2 Of 10)
G08919639Courtesy of © TOYOTA, LICENSE AGREEMENT TMS1002
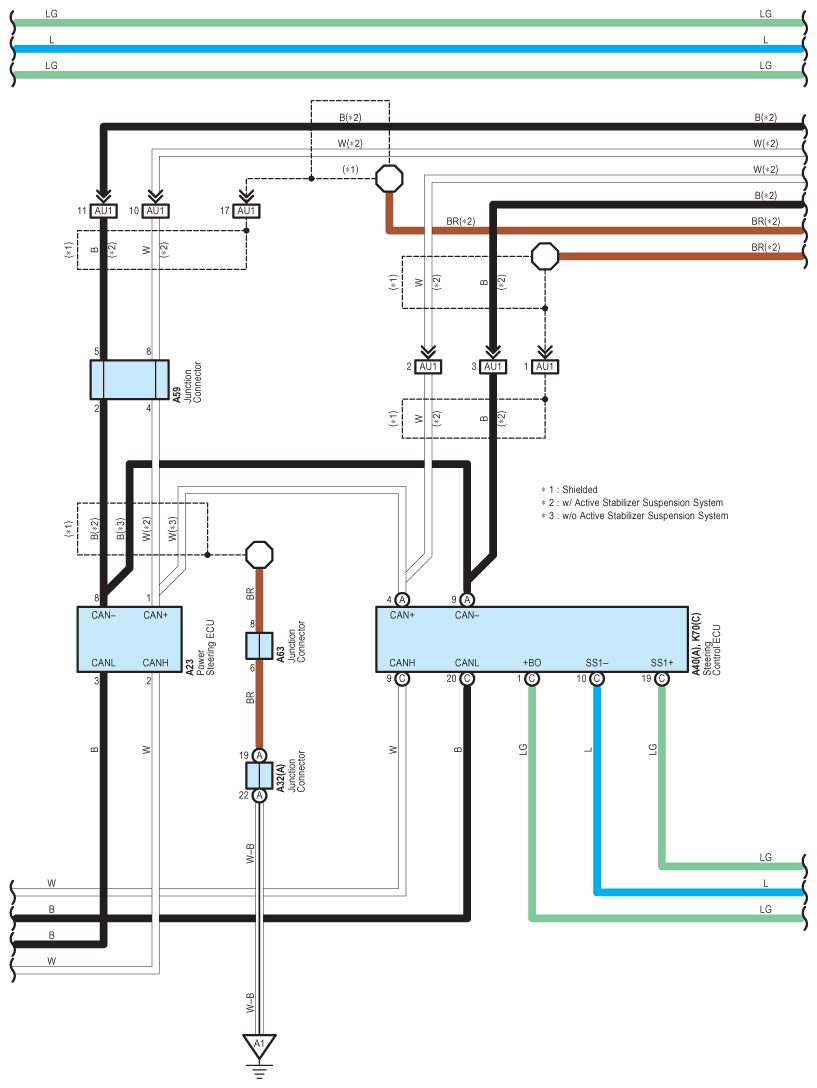
Fig 3: Electronic Modulated Suspension Wiring Diagram (3 Of 10)
G08919640Courtesy of © TOYOTA, LICENSE AGREEMENT TMS1002
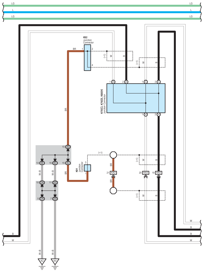
Fig 4: Electronic Modulated Suspension Wiring Diagram (4 Of 10)
G08919641Courtesy of © TOYOTA, LICENSE AGREEMENT TMS1002
Fig 5: Electronic Modulated Suspension Wiring Diagram (5 Of 10)
G08919642Courtesy of © TOYOTA, LICENSE AGREEMENT TMS1002
Fig 6: Electronic Modulated Suspension Wiring Diagram (6 Of 10)
G08919643Courtesy of © TOYOTA, LICENSE AGREEMENT TMS1002
Fig 7: Electronic Modulated Suspension Wiring Diagram (7 Of 10)
G08919644Courtesy of © TOYOTA, LICENSE AGREEMENT TMS1002
Fig 8: Electronic Modulated Suspension Wiring Diagram (8 Of 10)
G08919645Courtesy of © TOYOTA, LICENSE AGREEMENT TMS1002
Fig 9: Electronic Modulated Suspension Wiring Diagram (9 Of 10)
G08919646Courtesy of © TOYOTA, LICENSE AGREEMENT TMS1002
Fig 10: Electronic Modulated Suspension Wiring Diagram (10 Of 10)
G08919647Courtesy of © TOYOTA, LICENSE AGREEMENT TMS1002