LEMON Manuals: Even more car manuals for everyone: 1960-2025
Home >> Lexus >> 2007 >> GS 450h >> Repair and Diagnosis >> Electrical >> Body Electrical >> OEM System Circuits >> Headlight Cleaner >> Notes
April 5, 2026: LEMON Manuals is launched! Read the announcement.

Headlight Cleaner: Notes

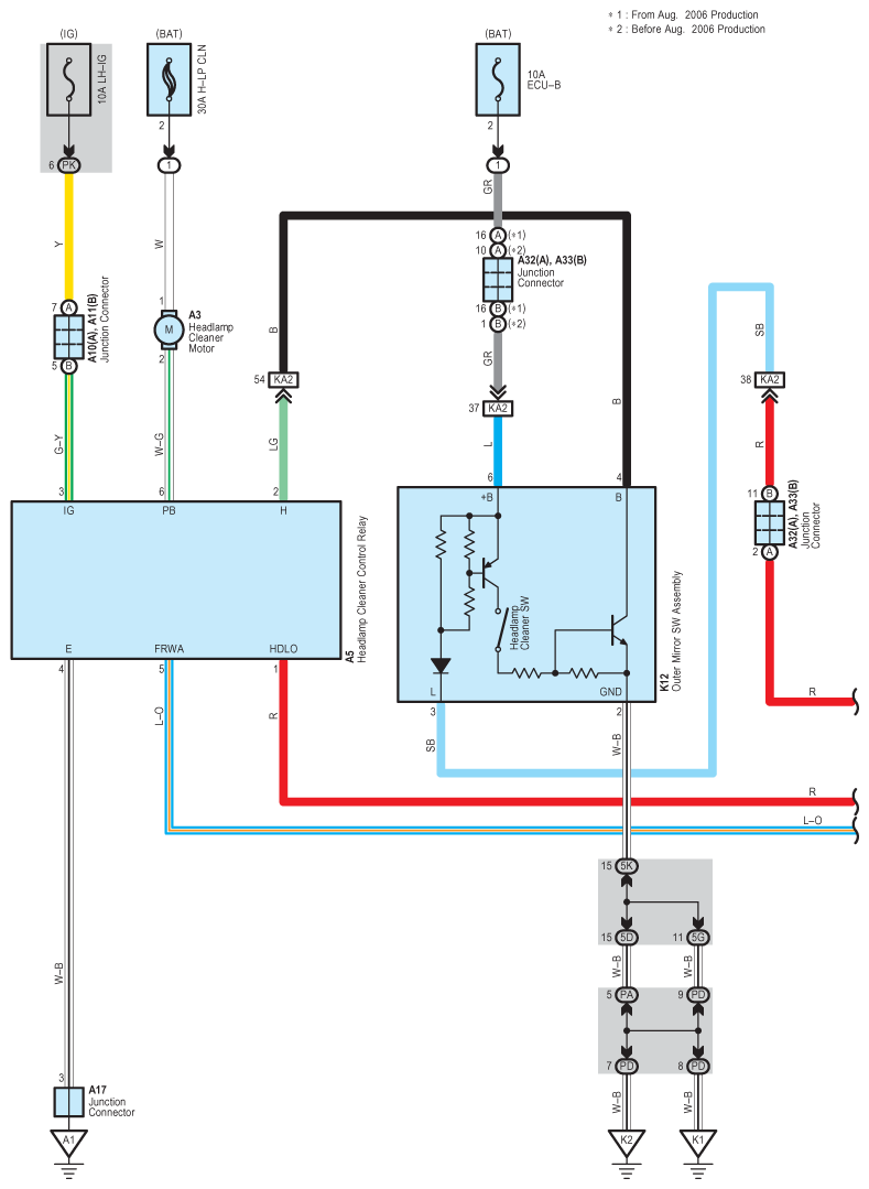
Fig 1: Headlight Cleaner Wiring Diagram (1 Of 2)
G08919498Courtesy of © TOYOTA, LICENSE AGREEMENT TMS1002
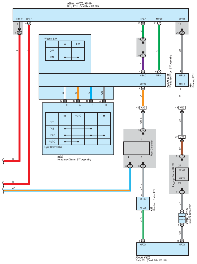
Fig 2: Headlight Cleaner Wiring Diagram (2 Of 2)
G08919499Courtesy of © TOYOTA, LICENSE AGREEMENT TMS1002