LEMON Manuals: Even more car manuals for everyone: 1960-2025
Home >> Lexus >> 2007 >> GS 450h >> Repair and Diagnosis >> Electrical >> Body Electrical >> OEM System Circuits >> Headlight >> Notes
April 5, 2026: LEMON Manuals is launched! Read the announcement.

OEM System Circuits: Headlight: Notes

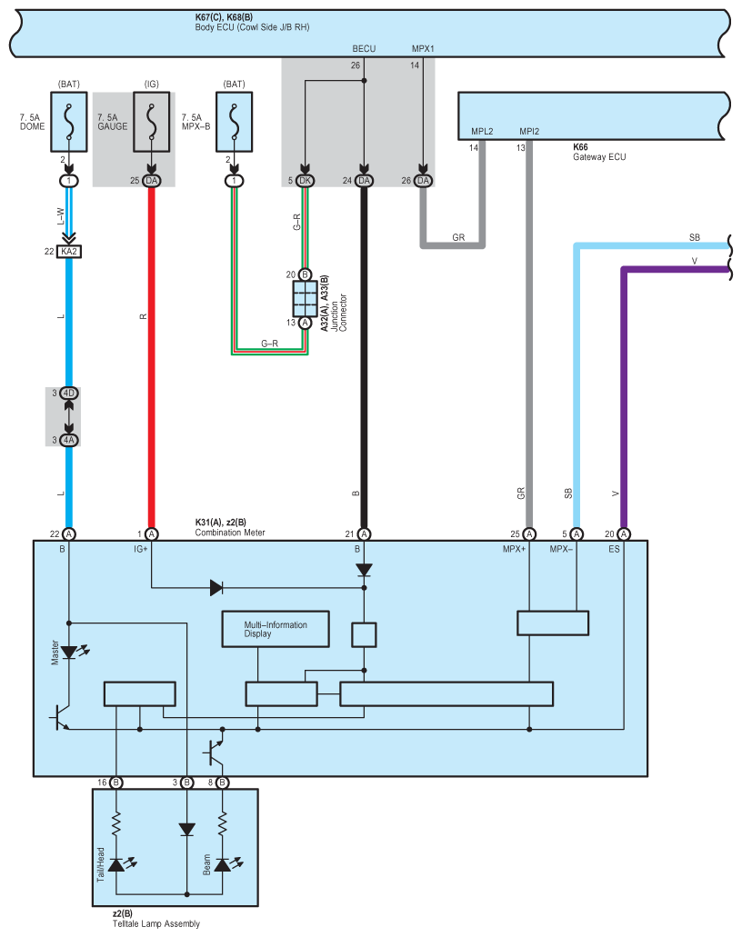
Fig 1: Headlight Wiring Diagram (1 Of 6)
G08919438Courtesy of © TOYOTA, LICENSE AGREEMENT TMS1002
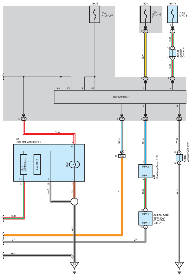
Fig 2: Headlight Wiring Diagram (2 Of 6)
G08919439Courtesy of © TOYOTA, LICENSE AGREEMENT TMS1002
Fig 3: Headlight Wiring Diagram (3 Of 6)
G08919440Courtesy of © TOYOTA, LICENSE AGREEMENT TMS1002
Fig 4: Headlight Wiring Diagram (4 Of 6)
G08919441Courtesy of © TOYOTA, LICENSE AGREEMENT TMS1002
Fig 5: Headlight Wiring Diagram (5 Of 6)
G08919442Courtesy of © TOYOTA, LICENSE AGREEMENT TMS1002
Fig 6: Headlight Wiring Diagram (6 Of 6)
G08919443Courtesy of © TOYOTA, LICENSE AGREEMENT TMS1002