LEMON Manuals: Even more car manuals for everyone: 1960-2025
Home >> Lexus >> 2007 >> GS 450h >> Repair and Diagnosis >> Electrical >> Body Electrical >> OEM System Circuits >> Remote Control Mirror >> Notes
April 5, 2026: LEMON Manuals is launched! Read the announcement.

Remote Control Mirror: Notes

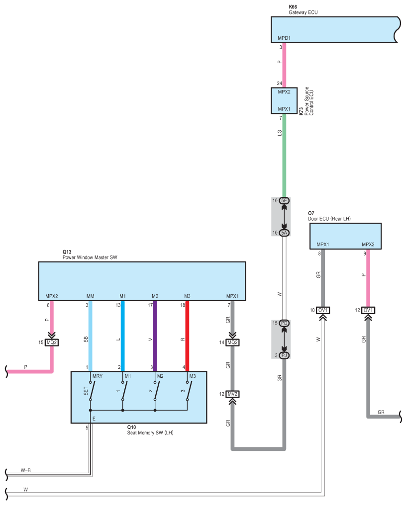
Fig 1: Remote Control Mirror Wiring Diagram (1 Of 5)
G08919706Courtesy of © TOYOTA, LICENSE AGREEMENT TMS1002
Fig 2: Remote Control Mirror Wiring Diagram (2 Of 5)
G08919707Courtesy of © TOYOTA, LICENSE AGREEMENT TMS1002
Fig 3: Remote Control Mirror Wiring Diagram (3 Of 5)
G08919708Courtesy of © TOYOTA, LICENSE AGREEMENT TMS1002
Fig 4: Remote Control Mirror Wiring Diagram (4 Of 5)
G08919709Courtesy of © TOYOTA, LICENSE AGREEMENT TMS1002
Fig 5: Remote Control Mirror Wiring Diagram (5 Of 5)
G08919710Courtesy of © TOYOTA, LICENSE AGREEMENT TMS1002