LEMON Manuals: Even more car manuals for everyone: 1960-2025
Home >> Lexus >> 2007 >> GS 450h >> Repair and Diagnosis >> Electrical >> Starter >> Starting >> Smart Access System With Push-Button Start >> System Description
April 5, 2026: LEMON Manuals is launched! Read the announcement.

System Description

  1. PUSH-BUTTON START DESCRIPTION 
    1. The push-button start uses a push-type power switch, which the driver can operate by merely carrying the key. This system consists of the power source control ECU, power switch, ID code box, steering lock ECU, key, ACC relay, IG1 relay, IG2 relay, stop light switch, HV control ECU and certification ECU. This function operates in cooperation with the smart access system. The table below shows the transition of the power switch, which is different depending on whether the brake pedal is depressed or released.
    2. This system has different power source mode patterns depending on the brake pedal condition and shift lever position.
      POWER SOURCE MODE PATTERN

      Brake Pedal Shift Lever Power Source Mode Pattern
      Depressed P position When the power switch is pushed once.
      • OFF → engine (hybrid) start
      Not depressed P position Each time the power switch is pushed.
      • OFF → ON (ACC) → ON (IG) → OFF
      Except P position Each time the power switch is pushed.
      • OFF → ON (ACC) → ON (IG) → ON (ACC)
      P position When the power switch is pushed in the ON (IG) condition.
      • ON (IG) → OFF
      Except P position When the power switch is pushed in the ON (IG) condition.
      • ON (IG) → ON (ACC)

      When the battery of the key is low, the push-button start function can be operated by holding the key against the power switch.

  2. FUNCTION OF COMPONENT 
    FUNCTION OF COMPONENT

    Components Function
    Power Switch
    • Transponder Key Amplifier
    • Transmits power switch signal to power source control ECU.
    • Informs driver of a power source mode or system abnormality with illumination stage of indicator light.
    • Receives ID code and transmits it to certification ECU when battery of key is low.
    Key Receives signals from oscillators and returns ID code to entry door control receiver.
    Indoor Electrical Key Oscillator
    • Front and Rear
    Receives request signal from certification ECU and forms detection area in vehicle interior.
    Entry Door Control Receiver Receives ID code from key and transmits it to certification ECU.
    Power Source Control ECU
    • Changes power source mode in 3 stages (OFF, ON (ACC), ON (IG)) in accordance with shift position and brake pedal condition.
    • Outputs start request signal to HV control ECU in accordance with steering lock position and brake pedal condition.
    Certification ECU Certifies the ID code received from entry door control receiver and transmits certification results to the immobiliser code ECU and steering lock ECU.
    Stop Light Switch Outputs state of brake pedal to power source control ECU.
    ID Code Box Receives steering unlock or engine immobiliser unset signals from certification ECU, certifies them, and transmits each unset signal to steering lock ECU.
    HV Control ECU
    • Receives engine (hybrid) start request signal from power source control ECU, and starts engine (hybrid).
    • Receives signal from immobiliser code ECU and performs engine start (hybrid system start).
  3. SYSTEM FUNCTION 

    The electric controls of the push-button start function are described below:

    SYSTEM FUNCTION

    Control Outline
    Power switch control When driver operates power switch with key in driver's possession, certification ECU starts indoor electrical key oscillator, which transmits request signal to key. Upon receiving this signal, key transmits ID code signal to certification ECU.
    Diagnosis When power source control ECU detects malfunction, power source control ECU diagnoses and memorizes failed section.
  4. CONSTRUCTION AND OPERATION 
    1. Power switch:

      Power switch consists of a momentary type switch, 3 color (amber, green, greenish white) LEDs, and transponder key amplifier.

      • The greenish white LED is for illumination.
      • The amber and green LEDs are for the indicator lights. The driver can check the present power source mode and whether the engine (hybrid) can start or not in accordance with the illumination state of the indicator light.
      • When the power source control ECU detects an abnormality in the push-button start function, it makes the amber indicator light flash. If the engine (hybrid) stopped in this state, it might not be possible to restart it.
        Fig 1: Identifying Power Switch And Indicator Light
        G05303595Courtesy of © TOYOTA, LICENSE AGREEMENT TMS1002
    2. Indicator light condition:

      Power switch indicator light condition 

      POWER SWITCH INDICATOR LIGHT CONDITION

      Power Source Mode/Condition Indicator Light Condition
      Brake pedal released Brake pedal depressed, shift lever in P
      OFF OFF If key verification occurs, illuminates ON (Green)
      ON (ACC, IG) Illuminates ON (Amber) Illuminates ON (Green)
      Engine running (hybrid running) OFF OFF
      Steering lock locked Flashes (Green) for 30 sec. Flashes (Green) for 30 sec.
      System malfunction Flashes (Amber) for 15 sec. Flashes (Amber) for 15 sec.
    3. Power source control ECU:

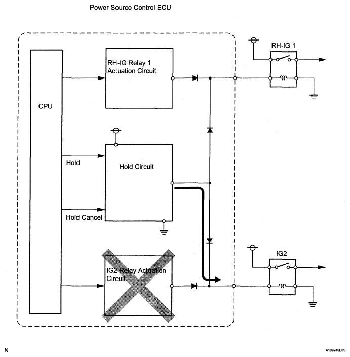
      The power source control ECU consists of the IG1 and IG2 relay actuation circuits, CPU, and hold circuit.

      • The hold circuit is installed to prevent the power supply to the relays from being cut off when an abnormality occurs in the IG1 and/or IG2 relay actuation circuits during driving.
        Fig 2: Power Source Control ECU - Circuit Diagram
        G05303596Courtesy of © TOYOTA, LICENSE AGREEMENT TMS1002

      HINT:

      Before removing the battery, make sure to turn the power switch OFF. The power source control ECU constantly stores the present power source mode in its memory. Therefore, if the power to the power source control ECU is interrupted by disconnecting the battery, the power source control ECU restores the power source mode after the battery is reconnected. For this reason, if the battery is disconnected when the power switch is not OFF, the power will be restored to the vehicle at the same time the power is restored to the power source control ECU (by reconnecting the battery).

  5. WHEN KEY BATTERY IS LOW 
    1. To operate the push-button start function when the key battery is low, hold the key close to the power switch with the brake pedal depressed.
    2. The power source control ECU transmits a key verification request signal from the stop light switch to the certification ECU.
    3. The certification ECU does not receive an ID code response from the entry door control receiver, so it actuates the transponder key amplifier built into the power switch.
    4. The transponder key amplifier outputs an engine immobiliser radio wave to the key.
    5. The key receives the radio wave, and returns a radio wave response to the transponder key amplifier.
    6. The transponder key amplifier combines the key ID codes with the radio wave response, and transmits it to the certification ECU.
    7. The certification ECU judges and verifies the ID code, and transmits a key verification OK signal to the power source control ECU. The buzzer in the combination meter sounds at the same time.
    8. After the buzzer sounds, if the power switch is pressed within 5 seconds with the brake pedal not depressed, the power source mode changes to ON (ACC) or ON (IG), the same as in the normal condition.
      Fig 3: Identifying Distance Between Power Switch And Key
      G05303597Courtesy of © TOYOTA, LICENSE AGREEMENT TMS1002
  6. DIAGNOSIS 

    The power source control ECU can detect malfunctions in the push-button start function when the power source mode is ON (IG).

    When the ECU detects a malfunction, the ECU stores the 5-digit DTC (Diagnostic Trouble Code) in the memory.

    • The DTC can be read by connecting the intelligent tester to the DLC3.